Simplicity LANDLORD 2700 User Manual
Page 60

58
TP-400-2086-03-LL-SMA
© Copyright 1997 Simplicity Manufacturing, Inc. All Rights Reserved.
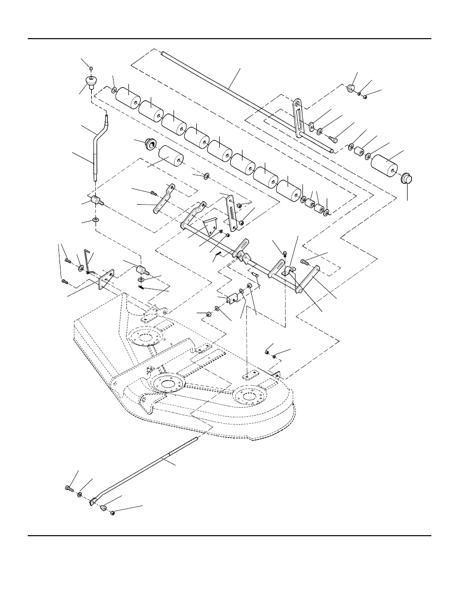
50” Mower Deck - Height Adjustment & Rollers
A-LL42107A
The above parts group applies to the following Mfg. Nos.:
1692688 50” Mower Deck
1692689 50” Mower Deck
1692881 50” Mower Deck
1692882 50” Mower Deck
NOTE: Unless noted otherwise,
use the standard hardware torque
specification chart.
Note: Attach mower levelling adjustment rod
(Ref 41) to bottom hole in mower hitch assembly.
{See Mower Deck - Clutch & Support Group.}
GREASE
GREASE
1
2
3
4
5
6
7
8
9
10
11
8
8
10
8
8
10
11
15
16
17
35
34
39
39
38
37
36
33
32
31
18
19
20
21
22
23
14
13
13
28
30
29
27
26
24
8
25
8
24
1
2
40
12
42
43
41
10
10
10
10
10
10
10
8
9
9
This manual is related to the following products:
