Simplicity LANDLORD 2700 User Manual
Page 58

56
TP-400-2086-03-LL-SMA
© Copyright 1997 Simplicity Manufacturing, Inc. All Rights Reserved.
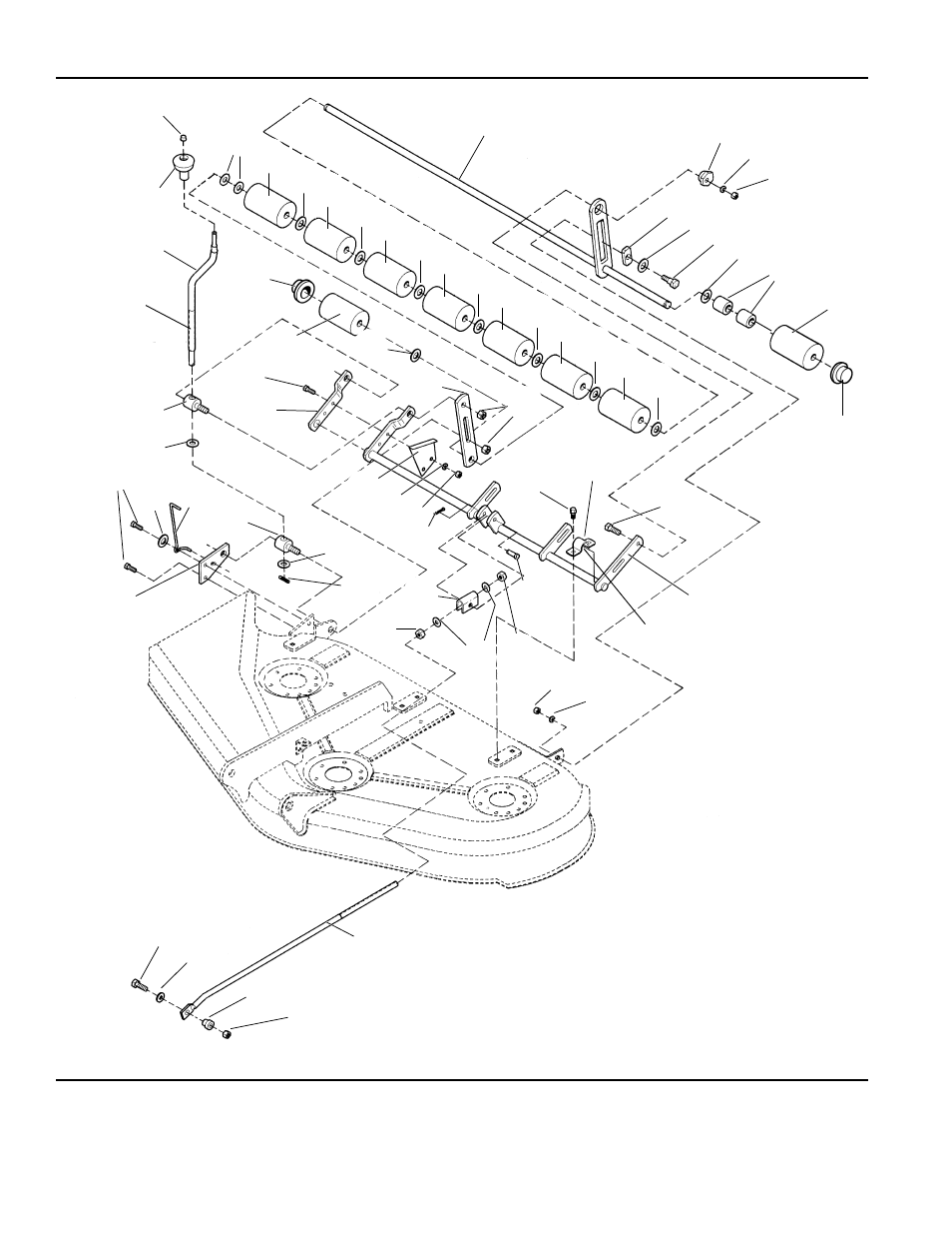
The above parts group applies to the following Mfg. Nos.:
1692686 44” Mower Deck
1692687 44” Mower Deck
1693172 44” Mower Deck - Exp
44” Mower Deck - Height Adjustment & Rollers
NOTE: Unless noted otherwise,
use the standard hardware torque
specification chart.
A-LL42106A
Note: Attach mower levelling adjustment rod
(Ref 42) to bottom hole in mower hitch assembly.
{See Mower Deck - Clutch & Support Group.}
GREASE
GREASE
1
2
3
4
5
6
7
8
9
10
11
9
12
10
12
10
12
10
12
10
12
10
12
10
12
10
12
12
12
10
11
16
17
18
36
26
40
40
39
38
37
35
34
33
19
20
21
22
23
24
15
14
14
30
32
31
29
28
25
26
27
26
25
1
2
41
13
43
44
42
This manual is related to the following products:
