Simplicity LANDLORD 2700 User Manual
Page 46

44
TP-400-2086-03-LL-SMA
© Copyright 1997 Simplicity Manufacturing, Inc. All Rights Reserved.
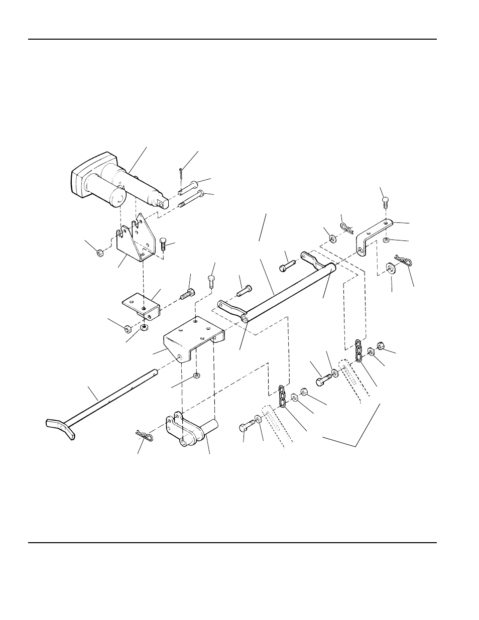
Electric Lift
NOTE: Unless noted otherwise,
use the standard hardware torque
specification chart.
A-LL42100A
The above parts group applies to the following Mfg. Nos.:
1692784 Landlord 16HP Hydro
1692786 Landlord 17HP LC Hydro
1692788 Landlord 18HP Hydro
1692790 Landlord 16HP Hydro - Exp
1692792 Landlord 17HP LC Hydro - Exp
1692794 Landlord 18HP Hydro - Exp
1692837 1716H, 16HP Hydro
1692839 1717H LC, 17HP LC Hydro
1692841 1718H, 18HP Hydro
1692843 2718H, 18HP Hydro
1692854 2717H LC, 17HP LC Hydro
1693008 Landlord, 16HP Hydro
1693010 Landlord, 16HP Hydro - Exp
1693012 Landlord 17HP LC Hydro
1693014 Landlord 17HP LC Hydro-Exp
1693016 Landlord 18HP Hydro
1693018 Landlord 18HP Hydro - Exp
Assemble with
short hub to lift
support as shown.
50" Mower uses 3-link chain,
44" Mower uses 4-link chain.
Long Hub
Short Hub
1
2
3
4
5
6
7
8
13
24
21
18
15
17
20
10
11
19
23
20
15
23
12
8
14
15
14
22
14
15
14
22
9
23
15
15
16
