Generac Power Systems 005040-2 User Manual
Page 46

44 Generac
®
Power Systems, Inc.
PO
RT
"OU
T 1"
22
7
21
TO
EN
G
INE
10
42
CO
VER
TO
VALVE
12
13
28
1
8
20
33
31
32
17
34
26
6
38
30
16
25
24
18
4
29
15
9
5
27
6
4
C
ARB
U
RET
O
R A
SS
Y.
0E1028A
(I/N 19
)
CO
NVER
S
IO
N
35
41
"OU
T 2"
PO
RT
L.P. VAP
O
R
3
40
1
11
3
40
7
2
6
11
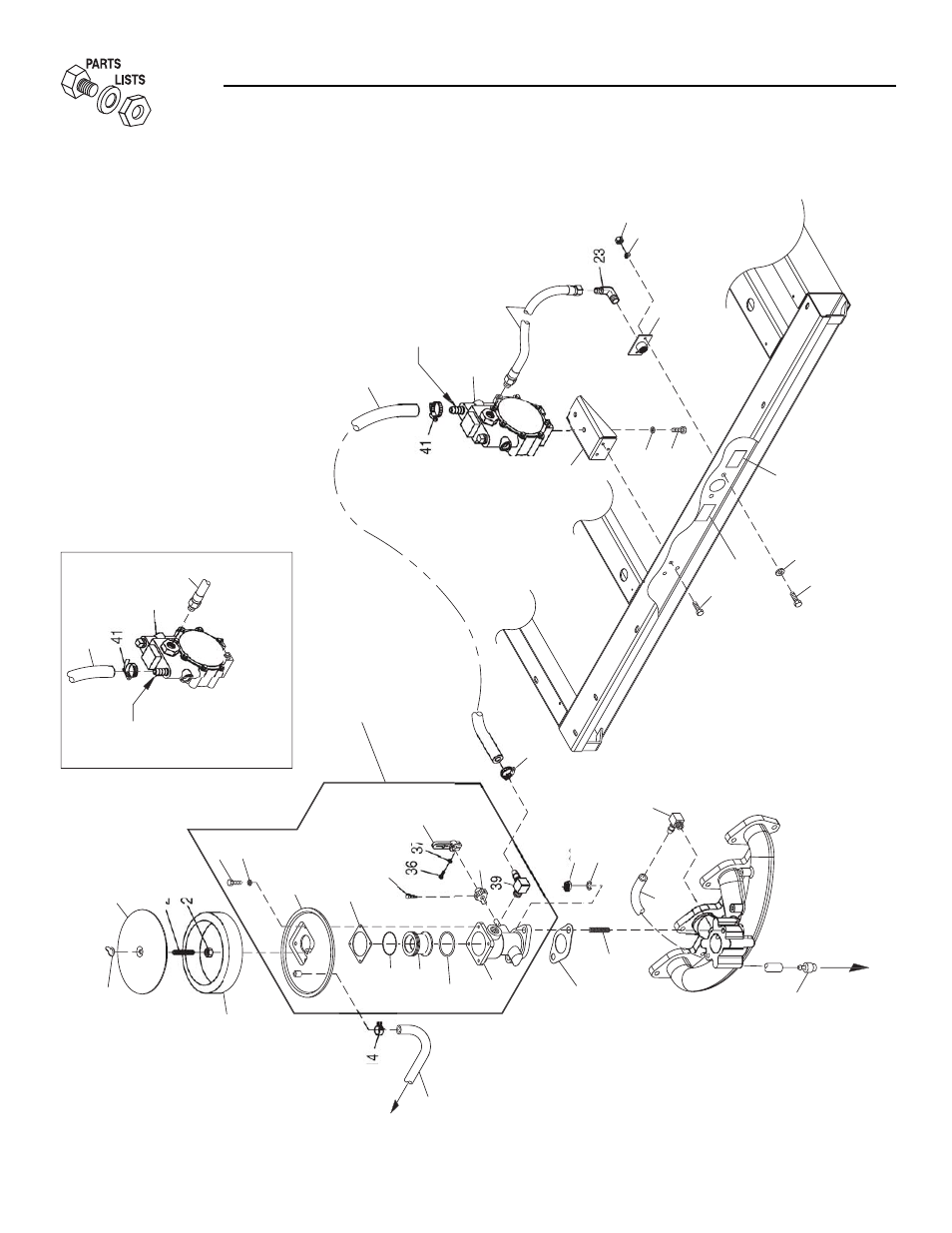
Section 8 - Exploded Views and Parts
Guardian Liquid-cooled 25 kW Generator
Fuel System — Drawing No. 0E9980-D
See also other documents in the category Generac Power Systems Generators:
- 004709-0 (52 pages)
- GUARDIAN 04136-0 (44 pages)
- 04389-1 (60 pages)
- 1.6L 18 kW (64 pages)
- 9593-3 (36 pages)
- 005213-0 (52 pages)
- 0043733 (64 pages)
- 005337-0 (64 pages)
- 004370-2 (60 pages)
- Whisper - Test UL 2200 (4 pages)
- 2.4L (68 pages)
- 004917-2 (48 pages)
- SG025 (4 pages)
- Quietpact 55 (92 pages)
- 05176-0 (52 pages)
- 004916-0 (44 pages)
- 940-2 (144 pages)
- GUARDIAN 43734 (64 pages)
- Guardian 5410 (82 pages)
- NP-30G (126 pages)
- A-2624 (28 pages)
- Guardian 4703 (2 pages)
- 9 kW NG (192 pages)
- IM Series (36 pages)
- 005220-0 (60 pages)
- 009734-5 (60 pages)
- GUARDIAN ELITE 005053-1 (56 pages)
- 005221-0 (60 pages)
- SP SERIES (1 page)
- 0941-1 (56 pages)
- 0661-5 (48 pages)
- 004373-6 (64 pages)
- 53187 (152 pages)
- 004988-4 (48 pages)
- Transfer Switches and Accessories (15 pages)
- QT04524 (4 pages)
- 004988-1 (48 pages)
- 004917-4 (48 pages)
- 04390-1 (60 pages)
- Guardian Elite 05402 (4 pages)
- XP Series (4 pages)
- 005210-0 (56 pages)
- 04760-0 (56 pages)
- 005012-1 (48 pages)
- Q-Series (56 pages)