Directory
Brands
Generac Power Systems manuals
Generators
005040-2
Manual

Generac Power Systems 005040-2 User Manual

Page 28

  • Text mode
  • Original mode
background image

26 Generac

®

Power Systems, Inc.

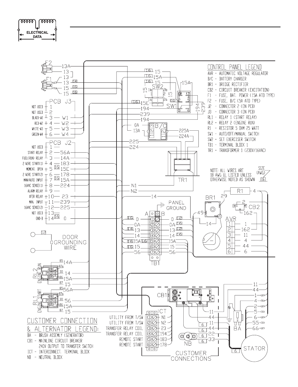
Section 7 - Electrical Data

Guardian Liquid-cooled 25 kW Generator
Wiring Diagram — 2.5L Engine (15kW & 20kW units) —Drawing No. 0F1411-A

Pages: 1 … 26 27 28 29 30 … 56
  • wrong Brand
  • wrong Model
  • non readable
See also other documents in the category Generac Power Systems Generators:
  • 004709-0 (52 pages)
  • GUARDIAN 04136-0 (44 pages)
  • 04389-1 (60 pages)
  • 1.6L 18 kW (64 pages)
  • 9593-3 (36 pages)
  • 005213-0 (52 pages)
  • 0043733 (64 pages)
  • 005337-0 (64 pages)
  • 004370-2 (60 pages)
  • Whisper - Test UL 2200 (4 pages)
  • 2.4L (68 pages)
  • 004917-2 (48 pages)
  • SG025 (4 pages)
  • Quietpact 55 (92 pages)
  • 05176-0 (52 pages)
  • 004916-0 (44 pages)
  • 940-2 (144 pages)
  • GUARDIAN 43734 (64 pages)
  • Guardian 5410 (82 pages)
  • NP-30G (126 pages)
  • A-2624 (28 pages)
  • Guardian 4703 (2 pages)
  • 9 kW NG (192 pages)
  • IM Series (36 pages)
  • 005220-0 (60 pages)
  • 009734-5 (60 pages)
  • GUARDIAN ELITE 005053-1 (56 pages)
  • 005221-0 (60 pages)
  • SP SERIES (1 page)
  • 0941-1 (56 pages)
  • 0661-5 (48 pages)
  • 004373-6 (64 pages)
  • 53187 (152 pages)
  • 004988-4 (48 pages)
  • Transfer Switches and Accessories (15 pages)
  • QT04524 (4 pages)
  • 004988-1 (48 pages)
  • 004917-4 (48 pages)
  • 04390-1 (60 pages)
  • Guardian Elite 05402 (4 pages)
  • XP Series (4 pages)
  • 005210-0 (56 pages)
  • 04760-0 (56 pages)
  • 005012-1 (48 pages)
  • Q-Series (56 pages)
Home Brands Popular manuals Recently added
Manuals Directory

© 2012–2025, azmanual.top
All rights reserved.