2 exhaust manifold procedure, 3 intake manifold procedure, 4 cylinder head procedure – Generac Power Systems 005040-2 User Manual
Page 19: 5 cooling system

Generac
®
Power Systems, Inc.
17
F. EVERY 800 OPERATING HOURS
1. Retorque cylinder head (see torque specs).
2. Retorque intake and exhaust manifold (see
torque specs).
3. Check engine compression.
4. Check valve clearance.
4.2
EXHAUST MANIFOLD PROCEDURE
1. If necessary, clean gasket surfaces on exhaust
manifold and cylinder head.
2. Install exhaust manifold and exhaust manifold
gasket.
3. Install fasteners.
NOTE:
Exhaust manifold fasteners must be tightened in
two stages.
4. Tighten fasteners to 20-30 N-m (15-22 lb-ft) dur-
ing the first stage.
5. Retighten fasteners to 60-80 N-m (44-59 lb-ft)
during the second stage.
4.3
INTAKE MANIFOLD PROCEDURE
1. Clean and inspect the mounting surfaces of the
intake manifold and the cylinder head. Both sur-
faces must be clean and flat (Figure 4.1).
2. Clean and lightly oil the manifold bolt/stud
threads.
3. Install a new lower intake manifold gasket.
4. Position the lower intake manifold to the cylinder
head.
5. Install retaining bolts/studs finger tight.
6. Tighten all bolts/studs to specifications in the
tightening sequence shown:
• First pass = 7=10 N-m (5-7 lb-ft).
• Final pass = 26-38 N-m (19-28 lb-ft).
Figure 4.1 — Intake Manifold Installation
4.4
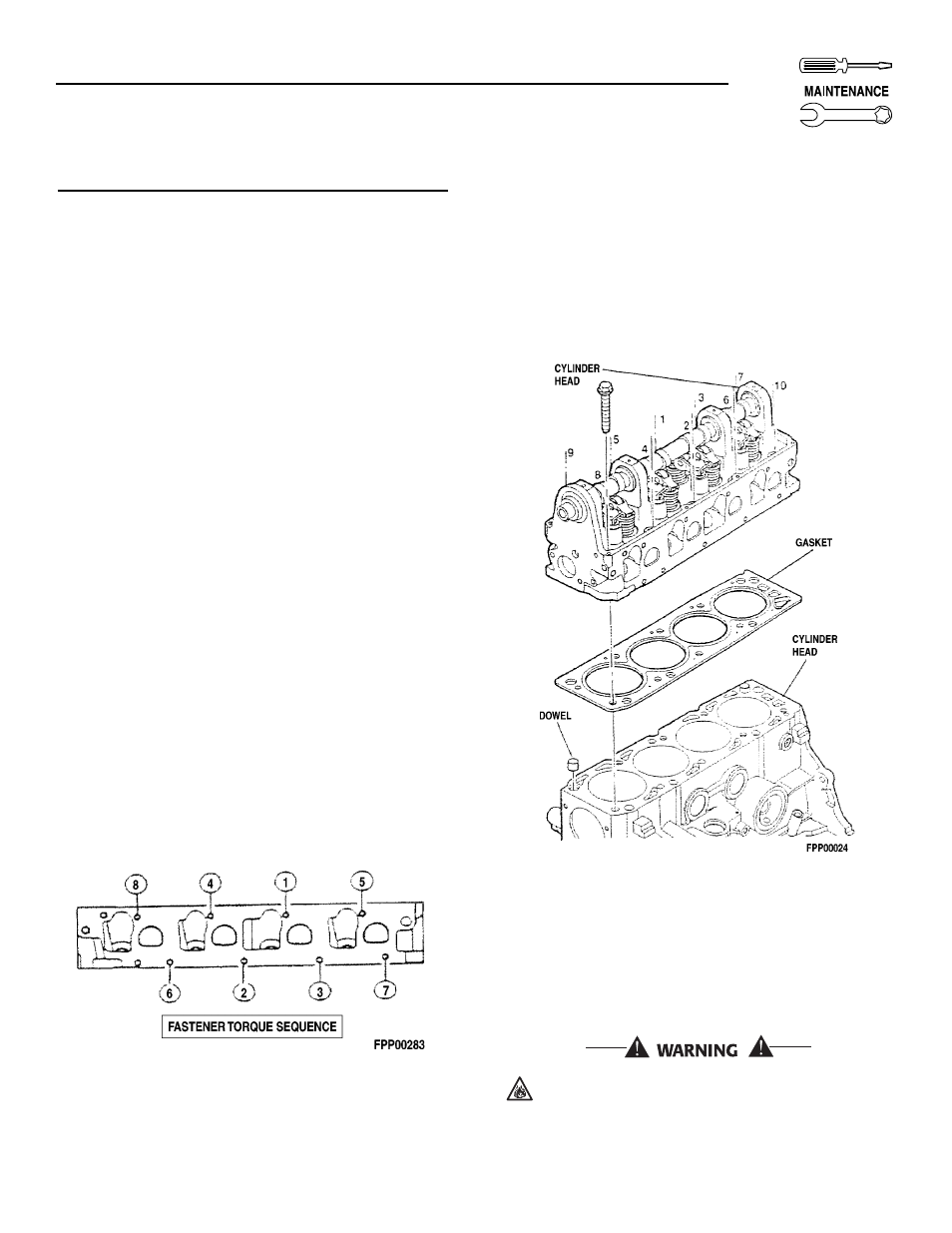
CYLINDER HEAD PROCEDURE
1. Position head gasket on the block (Figure 4.2).
2. Position cylinder head to cylinder block.
3. Install 10 cylinder head bolts in numerical
sequence. Tighten to 70 N-m (52 lb-ft) in
sequence. Retighten to 70 N-m (52 lb-ft) in
sequence. Then turn all head bolts an additional
90 - 100 degrees in sequence.
Figure 4.2 — Cylinder Head Installation
4.5
COOLING SYSTEM
Air intake and outlet openings in the generator com-
partment must be open and unobstructed for contin-
ued proper operation. This includes such obstruc-
tions as high grass, weeds, brush, leaves and snow.
Without sufficient cooling and ventilating air flow, the
engine/generator quickly overheats, which causes it
to shut down. (See the installation diagram.)
The exhaust system parts from this product get
extremely hot and remains hot after shutdown.
High grass, weeds, brush, leaves, etc. must
remain clear of the exhaust. Such materials may
ignite and burn from the heat of the exhaust
system.
Section 4 — Maintenance
Guardian Liquid-cooled 25 kW Generator