Directory
Brands
haier manuals
Conditioners
AU422BIBAA
Manual

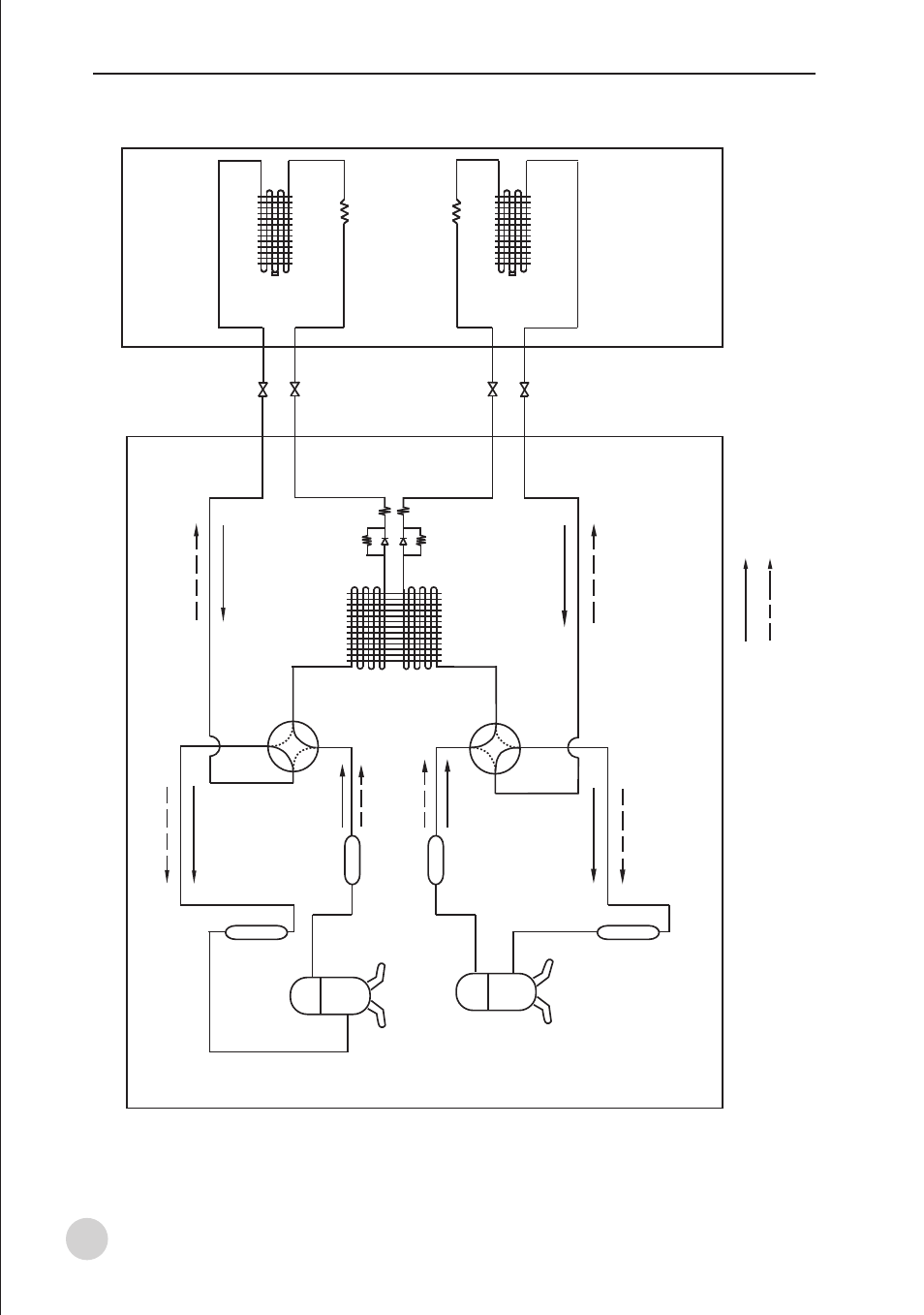
Pipe system chart – haier AU422BIBAA User Manual

Page 16

  • Text mode
  • Original mode
Pipe system chart | haier AU422BIBAA User Manual | Page 16 / 16 Pipe system chart | haier AU422BIBAA User Manual | Page 16 / 16
Pages: 1 … 11 12 13 14 15 16
  • wrong Brand
  • wrong Model
  • non readable
This manual is related to the following products:
  • 0010571564
See also other documents in the category haier Conditioners:
  • HSU-12RS03_R2(SDB) (12 pages)
  • AU122AABHA (24 pages)
  • AC282AFERA (31 pages)
  • AC182ACERA (23 pages)
  • AB484FCAHA (31 pages)
  • AD36NAHBEA (22 pages)
  • HWR24VC5 (26 pages)
  • AD142ALERA (25 pages)
  • AB242ACEAA (31 pages)
  • AD092XLERA (28 pages)
  • 0010554405B (8 pages)
  • ESA405K (44 pages)
  • AD28NAMBEA (20 pages)
  • AE122BCAAA (H2EM-18H03) (27 pages)
  • 0010515194 (8 pages)
  • AB142XCERA (25 pages)
  • AB142ACEAA (31 pages)
  • AD092XLEAA (26 pages)
  • AU182AFNBA (20 pages)
  • AD422AMERA (21 pages)
  • AU182AFNDA (19 pages)
  • 0010530627 (29 pages)
  • AD142AMBIA (24 pages)
  • 0010552537 (109 pages)
  • AU28NAHEAA (15 pages)
  • AC182XCERA (26 pages)
  • AS092XHERA (33 pages)
  • HC18-60A1VAR/S (17 pages)
  • HBU-18CF03 (25 pages)
  • 0010571570 (38 pages)
  • AC422AFERA (31 pages)
  • AB242ACBEA (31 pages)
  • ESA424K (44 pages)
  • 0010557172 (31 pages)
  • 0010506358 (4 pages)
  • AF072XCEAA (17 pages)
  • AU36NAHERA (26 pages)
  • AS072AZBDA (20 pages)
  • AS122XVERA (34 pages)
  • ESA3245 (26 pages)
  • AC182ACEAA (23 pages)
  • Convertible Type Room HCFU-42CA13 (24 pages)
  • ESA3185 (26 pages)
  • AB212XCEAA (28 pages)
Home Brands Popular manuals Recently added
Manuals Directory

© 2012–2025, azmanual.top
All rights reserved.