Search
Directory
Brands
Honeywell manuals
Conditioners
ENVIRAZONE PANEL W8835
Manual
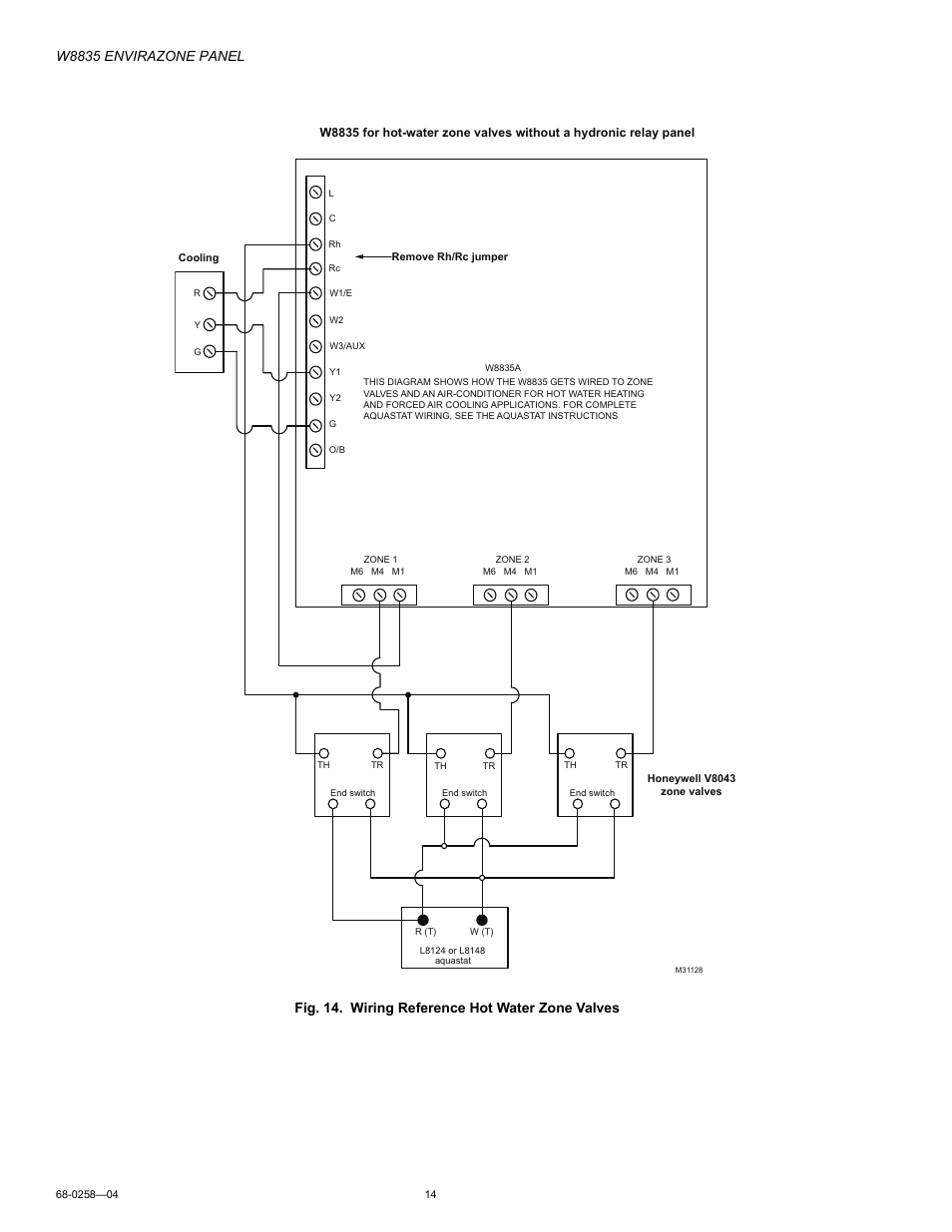
W8835 envirazone panel, Fig. 14. wiring reference hot water zone valves – Honeywell ENVIRAZONE PANEL W8835 User Manual
Page 14
Text mode
Original mode
W8835 envirazone panel, Fig. 14. wiring reference hot water zone valves | Honeywell ENVIRAZONE PANEL W8835 User Manual | Page 14 / 32
Pages:
1
…
12
13
14
15
16
…
32
wrong Brand
wrong Model
non readable
See also other documents in the category Honeywell Conditioners:
PC8900A
(4 pages)
ML4125
(8 pages)
MM3-MASTERTROL MM-3
(2 pages)
AMH-12000E
(88 pages)
Genetron ST-20
(4 pages)
T775U
(40 pages)
HZ-817 series
(8 pages)
45 Inch Outdoor Portable Evaporative Air Cooler Warranty
(12 pages)
45 Inch Outdoor Portable Evaporative Air Cooler Warranty
(12 pages)