Search
Directory
Brands
SAF manuals
Spare parts
OP-STOP DCI
Manual
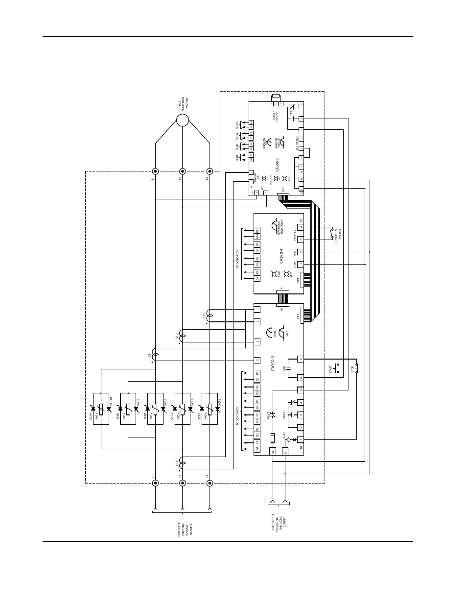
Op-stop dc injection brake page 18 – SAF OP-STOP DCI User Manual
Page 23
Text mode
Original mode
Op-stop dc injection brake page 18 | SAF OP-STOP DCI User Manual | Page 23 / 25
Pages:
1
…
20
21
22
23
24
25
wrong Brand
wrong Model
non readable
See also other documents in the category SAF Spare parts:
OPAL Pro DeviceNet
(11 pages)
OPAL Pro MS6B
(38 pages)
OPAL MV (Consult SAF)
(2 pages)
OPAL LT
(12 pages)
OPAL SS6
(46 pages)