Search
Directory
Brands
Eclipse - Fujitsu Ten manuals
CD-players
CD5425
Manual
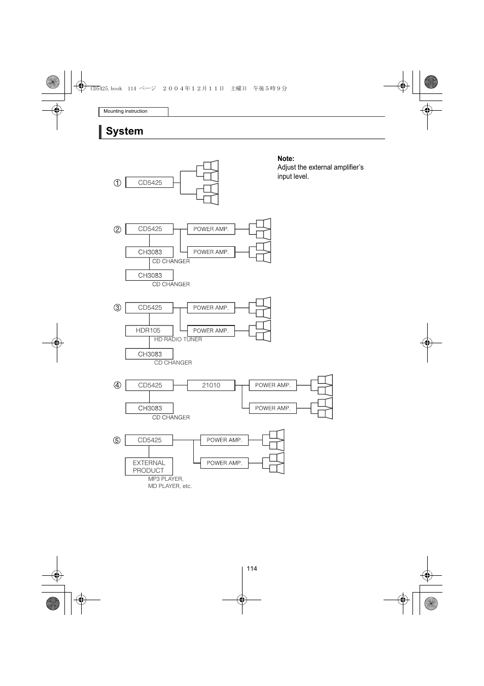
System – Eclipse - Fujitsu Ten CD5425 User Manual
Page 114
Text mode
Original mode
System | Eclipse - Fujitsu Ten CD5425 User Manual | Page 114 / 124
Pages:
1
…
112
113
114
115
116
…
124
wrong Brand
wrong Model
non readable