1 product overview, 1product overview – Nevion DA-AES User Manual
Page 4

DA-AES
Rev. J
nevion.com | 4
1
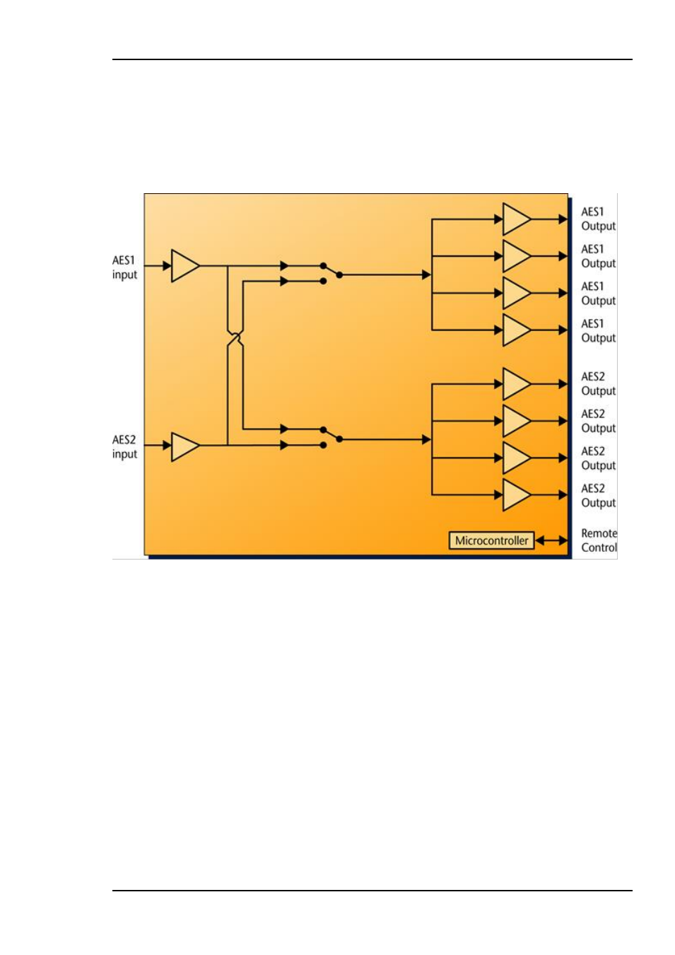
Product overview
The DA-AES is a Digital Audio Distribution Amplifier. The DA-AES can be configured
as either 1 input and 8 outputs or dual 1 input and 4 outputs. The Distribution Amplifier
supports sample rate 15-96 kHz and has balanced inputs and outputs. The DA-AES is
designed for all digital audio distribution purposes in studio, duplication and Broadcast
applications.
Figure 1: DA-AES - AES distribution amplifier
See also other documents in the category Nevion Optics:
- N-BOX (14 pages)
- FR-2RU-10-2 (28 pages)
- Flashcase-II model 1 (15 pages)
- FR202 (33 pages)
- FC-PWR (8 pages)
- SFP-TR10-13T-ER (9 pages)
- XFP-TR10-13T-ER (8 pages)
- SFP-TR1-D15xx.xx-ER (9 pages)
- SFP-TR10-D15xx.xx-ER (9 pages)
- SFP-TR1-13T-ER (8 pages)
- SFP-3G-RX-2-HDBNC (8 pages)
- SFP-3G-TX-2-DIN (8 pages)
- SFP-3G-OE-2 (8 pages)
- SFP-3G-EO-2-C1xxx (9 pages)
- SFP-3G-EO-OE-C1xxx-L (8 pages)
- WOS-2 (18 pages)
- EDFA-B-C 17dBm (17 pages)
- DWDM-40C (14 pages)
- DWDM-8C (12 pages)
- CWDM-18 (12 pages)
- CWDM 9-16-Mkll (15 pages)
- WDM-2-MkII (15 pages)
- WOC-4-25-Mkll (15 pages)
- 3GHD-EO-D15xx (18 pages)
- 3GHD-EO-2 (23 pages)
- 3GHD-EO-2-SFP (19 pages)
- FC-3G-EO-OE-28 (27 pages)
- 3GHD-OE-2-SFP (20 pages)
- LB-OE Rev.E (15 pages)
- LB-EO Rev.F (16 pages)
- Flashlink Compact II (29 pages)
- ETH-1000-SW-10G (15 pages)
- ETH1000-SW-COM (23 pages)
- ETH1000-SFP (15 pages)
- D422-MG (20 pages)
- 10G-TR-C1xxx (12 pages)
- HD-TD-10GX-8-SFP (21 pages)
- HD-TD-10GDX-6 (19 pages)
- SDI-TD-3GDX-5 (4 pages)
- HD-TD-3GDX-2 (38 pages)
- SDI-TD-DMUX-4 (30 pages)
- AES-VMUX/-SFP (37 pages)
- DWC-HD-R (33 pages)
- ARC-SD-DMUX-R (36 pages)
- ARC-SD-XMUX4 (35 pages)
