E. fuel pump wiring – Vortech Maxflow Fuel System User Manual
Page 8

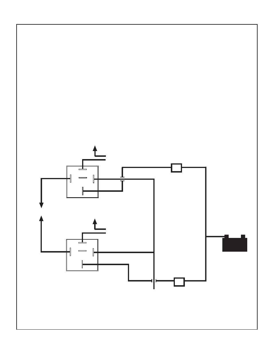
E. Fuel pump wiring
1.
Mark and drill two .14 fuel pump relay mounting holes in the
interior of the trunk, close to the factory fuel pump harness
located in the right rear of the vehicle (the upper edge of the
spare tire well works well).
2.
Following the fuel pump wiring diagram, wire the pumps and
relays. Make sure that all ground locations are free from paint
and dirt and maintain a solid metal-metal contact.
3.
Route the supplied 12 gauge wires (from relay terminal #30)
to the (+) terminal on the battery or to the (+) lug on the starter
solenoid. Make sure that both power wires and 20 amp fuses
are used. Do not combine both wires into one wire unless
larger (8 ga. minimum) wire is used.
4.
Using one of the supplied wire taps, combine both of the
yellow (relay trigger harness) wires together. Attach the
combined wires to the factory trigger wire (red/purple) in the
factory fuel pump harness using another wire tap.
87
87a
30
85
86
RED/PURPLE WIRE IN
STOCK HARNESS
(Check with test light. When key
is turned to “ON” position, test
light should illuminate for 2-3
seconds & then should turn
“OFF” automatically.)
RELAY WIRING SCHEMATIC
87
87a
30
85
86
(+)
RELAY WIRING SCHEMATIC
20A
fuse
(+)
(-)
(-)
GROUND
(-)
GROUND
(+)
GROUND
20A
fuse
T-REX™ FUEL PUMP
T-REX™ FUEL PUMP
8
