
Connect Tech Blue Heat/Net Sync User Manual
Revision 0.01
61
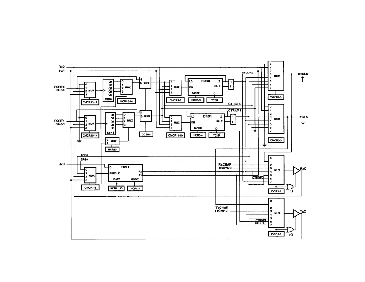
IUSC Clocking Logic:
The following diagram was scanned from the IUSC manual page 4-3 and corrections have been made. Do not use the diagram from the IUSC manual, use the
corrected version we have provided below.