Or 30-foot markers, Assembly – Great Plains 3PD20 Assembly Instructions User Manual
Page 2

2
Three-Point Drill Flat-Fold Markers 113-380M
4/9/04
Great Plains Mfg., Inc.
Assembly
27- or 30-Foot Markers
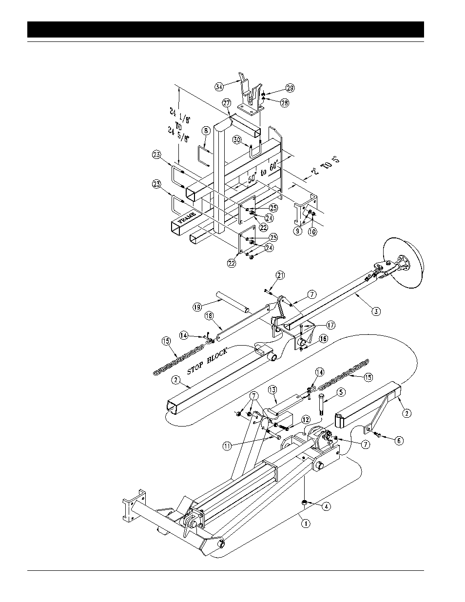
1.
Lower drill into field position. From end of each drill box, al-
low 14 feet of clearance on a 27-foot drill or 16 feet of
clearance on a 30-foot drill for marker as-
sembly.
2.
Mount first marker section (1) on lower
3 1/2-inch frame tube. Mount with 5/8-
inch u-bolts (8), lock washers (9) and hex
nuts (10).
3.
Remove port plugs from hydraulic cylin-
der so you can extend fold cylinder. Un-
fold first section and lift lug.
4.
With stop block positioned on top of
second section (2), align holes in
second section with holes in first
section. Bolt sections together with
5/8-inch bolt (6), lock nut (7), 3/8-by-2-
inch shear bolt (5) and lock nut (4).
5.
Place third section (3) over end of
second section and insert hinge pin
(19) through pivot. Secure hinge pin
with 1/4-inch bolt (17) and lock nut (16).
6.
Bolt chain-bar weldment (13) to first sec-
tion with 3/8-by-3 1/4-inch bolt (11) and
lock nut (7). Bolt chain-bar weldment so it
pivots freely.
7.
Bolt chain bar (18) to third section with
3/8-by-1 1/2-inch bolt (21) and lock nut (7).
Bolt chain bar so it pivots freely.
8.
Connect marker chain (15) to chain bar and chain-bar weld-
ment with 5/16-inch utility clevis (14).
9.
With marker disk adjusted for seeding width and disk touch-
ing the ground, adjust chain length to remove chain slack.
Make chain-length adjustments at the utility clevis on the
chain-bar weldment.
10. Install 3/8-by-2 1/2-inch stop bolt (12) and lock
nuts (7) so stop bolt extends as little as possible.
Fold marker and adjust stop bolt to tighten chain.
NOTE: Stop bolt must hold tension on mark-
er chain only when the marker is folded.
Stop-bolt should not affect chain tension
when marker is unfolded.
11. Mount support arm (27) to drill frame at
dimension shown. Secure arm to
drill frame with clamp plates (22),
1/2-by-3 1/2-by-6 1/2-inch u-bolts
(23), lock washers (25) and hex
nuts (24). Set support-arm height at
about 24 1/8 inches above drill frame.
12. Mount support-arm saddle (34) to sup-
port arm with 1/2-by-2-by-3-inch u-bolts
(30), lock washers (28) and hex nuts
(29). To prevent wear when folded, cen-
ter saddle under marker chain and
square tube of second section.
13. Adjust height of support arm so second section is parallel
with seed-box lid when marker is folded.
14. Fold marker into transport position. With marker chain in slot
of the support-arm saddle, take up chain slack by threading
3/8-inch stop bolt out against the chain-bar weldment. Lock
stop bolt in place with hex nuts.
15. Repeat steps to mount other
marker. After assembling
markers, proceed to Hy-
draulic Setup, page 3.
11008
