10 dimensional drawing nkp, Dimensional drawing nkp, Series nkl, nklp, nks, nksp, nk, nkp – Richter NKP Series Butterfly Valves User Manual
Page 22

Series NKL, NKLP, NKS, NKSP, NK, NKP
Page 22
9520-070-en
Revision 04
TM 7113
Edition 05/2008
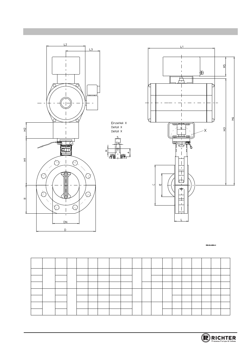
10.10 Dimensional drawing NKP
DN
ISO
5211
H1 H2
B
L
D
C
E
A
M
SW
S
H3 H4 H5
L1 L2 L3
50
135
66
43 165
90
28
10 14
80
160
93
46 200 128
67
15
11 16
100
F07
175
60
106
52 222 150
87
30
16
12 20
150
212
135
56 285 212 142
200
F10
232
165
60 340 265 193
36 20
18 25
250
272
195
68 405 315 243
30
300
F12
297
80
230
78 470 365 292
42 25
22
32
This manual is related to the following products:
