Search
Directory
Brands
Yamato Scientific manuals
Equipment
DKN 912 Constant Temperature Drying Oven
Manual
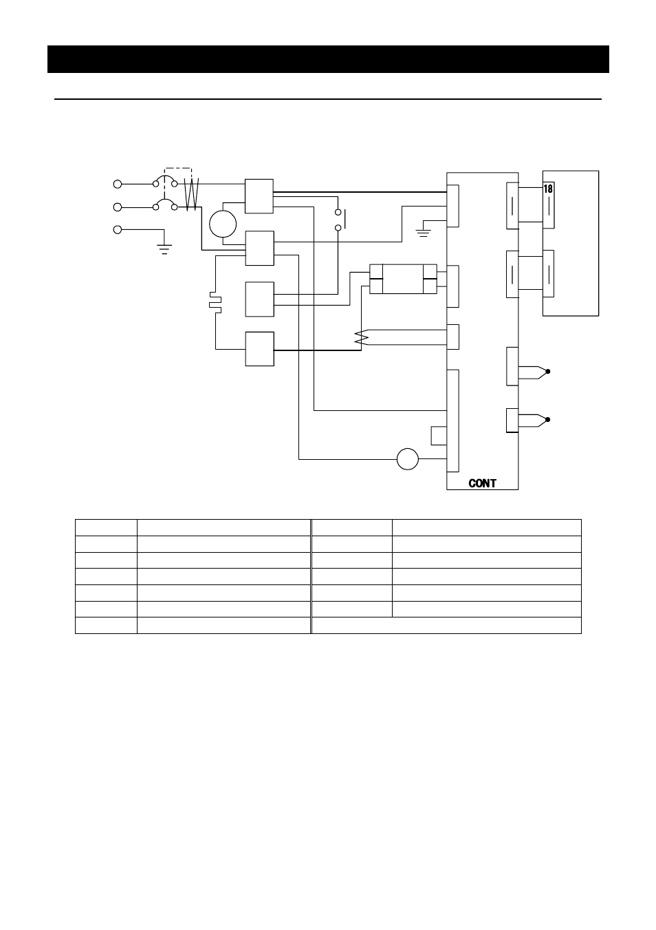
Wiring diagram, Pio elb ac100v, Hth2 th1 – Yamato Scientific DKN 912 Constant Temperature Drying Oven User Manual
Page 44
Text mode
Original mode
Wiring diagram, Pio elb ac100v, Hth2 th1 | Yamato Scientific DKN 912 Constant Temperature Drying Oven User Manual | Page 44 / 50
Pages:
1
…
42
43
44
45
46
…
50
wrong Brand
wrong Model
non readable
This manual is related to the following products:
DKN 812 Constant Temperature Drying Oven
DKN 612 Constant Temperature Drying Oven
DKN 602 Constant Temperature Drying Oven
DKN 402 Constant Temperature Drying Oven
DKN 302 Constant Temperature Drying Oven
See also other documents in the category Yamato Scientific Equipment:
BB300 Low Constant Temperature Water Bath
(64 pages)
BBL100 Low Constant Temperature Water Bath
(61 pages)
BH200 Thermo-Elite
(37 pages)
BH400 Thermo-Elite
(42 pages)
BM100 Water Baths
(16 pages)
BM110 Water Baths
(16 pages)
BM400 Water Baths/Oil Baths
(22 pages)
BM410 Water Baths
(21 pages)
BU200 Low Constant Temperature Water Bath
(18 pages)
CLH301 Cool Line
(65 pages)
CLS301 Cool Line
(55 pages)
DC400 Freeze Dryers
(33 pages)
DG400 Drying Ovens for Laboratory Tools
(41 pages)
DN410H Constant Temperature Ovens
(88 pages)
DN410I Inert Oven
(88 pages)
DNF 400 Constant Temperature Ovens
(76 pages)
DVS402 Constant Temperature Drying Oven
(47 pages)
DX302 Constant Temperature Drying Oven
(40 pages)
DX302 Constant Temperature Drying Oven
(9 pages)
HC200 Cool Block
(58 pages)
HF100 Heating Block
(29 pages)
IJ100 Low Temperature Incubator
(27 pages)
IJ201 Low Temperature Incubator
(50 pages)
K400 Shaking incubator
(36 pages)
IN603 Low Temperature Incubators
(68 pages)
IN603W Low Temperature Incubators
(67 pages)
IQ820 Low Temperature Incubators
(46 pages)
IQ821 Low Temperature Incubators
(47 pages)
LT400A Laboratory Stirrer
(21 pages)
RE200 Evaporators, Rotary
(29 pages)
RE400 Evaporators, Rotary
(21 pages)
RE210 Evaporators, Rotary
(28 pages)
RE440 Evaporators, Rotary
(25 pages)
RE550 Evaporators, Rotary
(22 pages)
RT200 Solvent recovery unit
(15 pages)
SN 200 Autoclave, Sterilizers
(66 pages)
Vacuum controller Vacuum controller
(34 pages)
WG201 Water Purifiers
(40 pages)
WG221 Water Purifiers
(51 pages)
WR600A AutoPure
(28 pages)
WS200 Water Purifiers
(32 pages)
External output controller type Ⅳ CR
(3 pages)
Hitech controller type Ⅳ
(34 pages)