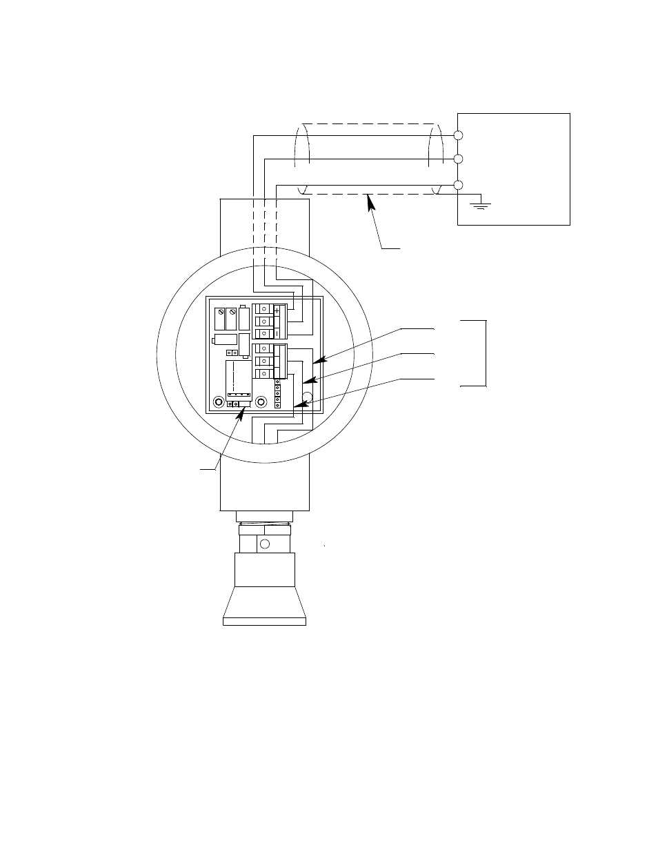
Controller, Detector w ires, Black red cable shield – RKI Instruments 65-2442RK User Manual
Page 10: W hite gas select jumper, in hydrogen position
See also other documents in the category RKI Instruments Sensors:
- Eagle Series (89 pages)
- Eagle Series (66 pages)
- 01 Series Manual (33 pages)
- 01 Series Quik Start (2 pages)
- OX-94 (13 pages)
- FP-3 (16 pages)
- GasWatch 1 (18 pages)
- GasWatch 2 Manual (37 pages)
- GasWatch 2 Quik Start (2 pages)
- GP-01 (34 pages)
- GP-01 with self resetting alarms (33 pages)
- GP-204 (7 pages)
- NP-204 (13 pages)
- RI-215A (24 pages)
- SC-01 (45 pages)
- SC-01 (68 pages)
- Data Cal 2000 (88 pages)
- EAGLE 2 Manual (309 pages)
- Eagle 2 Quik Start (2 pages)
- GX-94 (3 pages)
- GX-94 (52 pages)
- SDM-E2 (224 pages)
- SDM-E2 (89 pages)
- Eagle 1 Manual (89 pages)
- Eagle 1 Quik Start (2 pages)
- Inert Gas Testing Eagle with Two Pumps (66 pages)
- Gas Tracer (234 pages)
- Gas Tracer 10,000 ppm (120 pages)
- GX-2001 Manual (45 pages)
- GX-2001 Quik Start (2 pages)
- GX-2001 Canadian Version (43 pages)
- GX-2003 Manual (94 pages)
- GX-2003 Quik Start (2 pages)
- GX-2009 Manual (73 pages)
- GX-2009 Quik Start (2 pages)
- GX-2009 Supplement (2 pages)
- GX-2012 Manual (185 pages)
- GX-82 (22 pages)
- GX-82A (43 pages)
- GX-86 (22 pages)
- GX-86A (39 pages)
- GX-8000(PT0-098) (52 pages)
- GX-8000(H4-0050) (23 pages)
- RX-516 (36 pages)
- GX-2009 (54 pages)