Search
Directory
Brands
Multiquip manuals
Lighting
LT6D
Manual
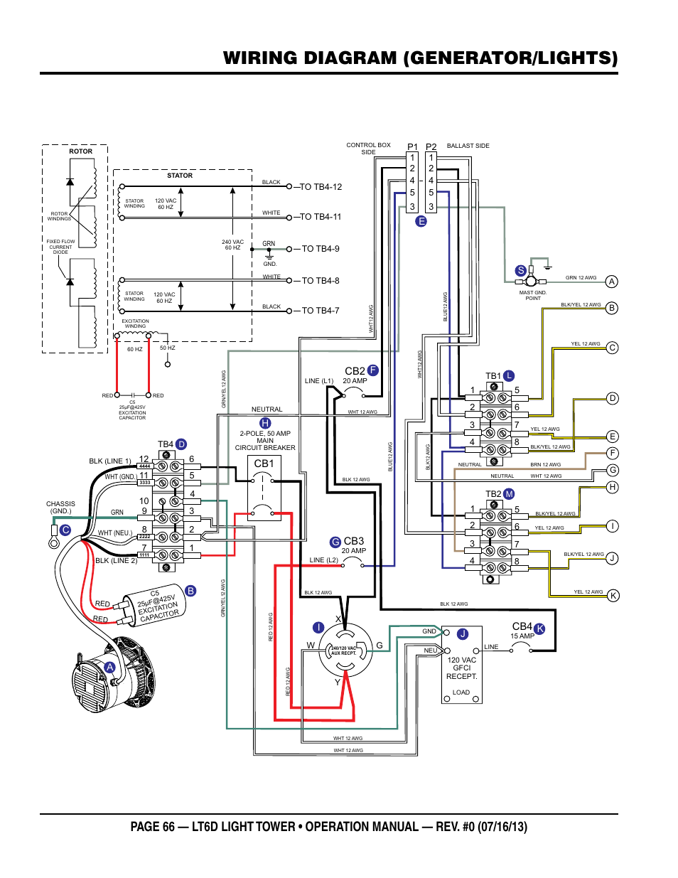
Wiring diagram (generator/lights), Ci j b f – Multiquip LT6D User Manual
Page 66
Text mode
Original mode
Wiring diagram (generator/lights), Ci j b f | Multiquip LT6D User Manual | Page 66 / 70
Pages:
1
…
64
65
66
67
68
…
70
wrong Brand
wrong Model
non readable
See also other documents in the category Multiquip Lighting:
LT12D
(58 pages)
LT12D
(68 pages)
LT12D50B
(40 pages)
T12D50SA
(62 pages)
T12D50SA
(46 pages)
LT12DAB
(40 pages)
LT12DAB
(60 pages)
LT6K
(70 pages)