Search
Directory
Brands
Multiquip manuals
Lighting
LT6D
Manual
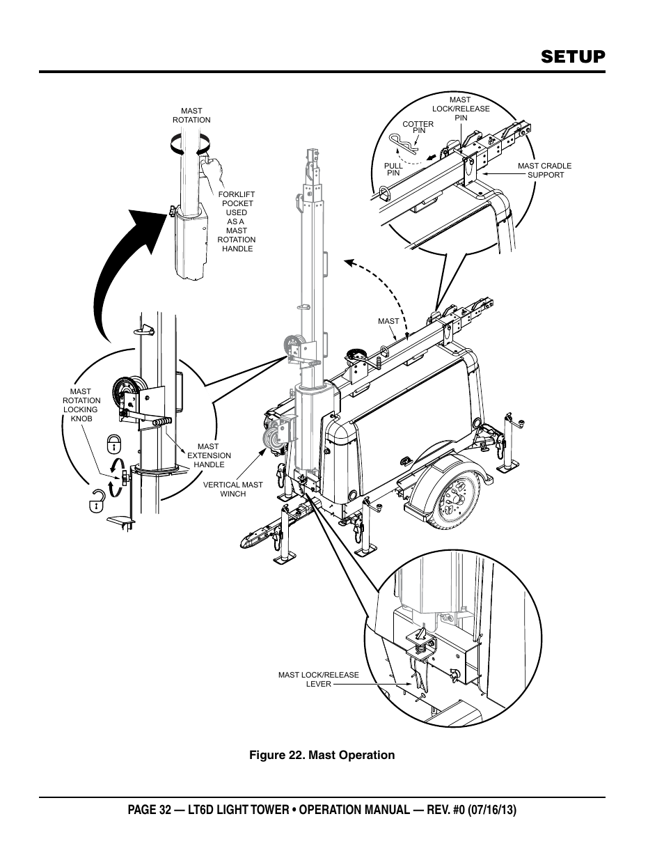
Setup, Table 8, Figure 22. mast operation – Multiquip LT6D User Manual
Page 32
Text mode
Original mode
Setup, Table 8, Figure 22. mast operation | Multiquip LT6D User Manual | Page 32 / 70
Pages:
1
…
30
31
32
33
34
…
70
wrong Brand
wrong Model
non readable
See also other documents in the category Multiquip Lighting:
LT12D
(58 pages)
LT12D
(68 pages)
LT12D50B
(40 pages)
T12D50SA
(62 pages)
T12D50SA
(46 pages)
LT12DAB
(40 pages)
LT12DAB
(60 pages)
LT6K
(70 pages)