Directory
Brands
Multiquip manuals
Mixers
EM120S
Manual

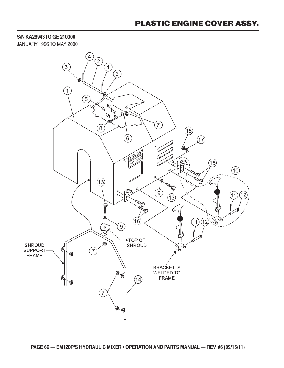
Plastic engine cover assy – Multiquip EM120S User Manual

Page 62

  • Text mode
  • Original mode
Plastic engine cover assy | Multiquip EM120S User Manual | Page 62 / 108 Plastic engine cover assy | Multiquip EM120S User Manual | Page 62 / 108
Pages: 1 … 60 61 62 63 64 … 108
  • wrong Brand
  • wrong Model
  • non readable
This manual is related to the following products:
  • EM120P
See also other documents in the category Multiquip Mixers:
  • WM120PM Series (50 pages)
  • WM90S (40 pages)
  • EM900S (32 pages)
  • WM45H (46 pages)
  • WM45HCE_rev_0 (40 pages)
  • MS15H5.5 (84 pages)
  • MS45H5.5 (84 pages)
  • MC3SE (42 pages)
  • MC3H (72 pages)
  • MC3PEA (46 pages)
  • WM120PH Series (108 pages)
  • WM120PM Series (50 pages)
  • WM63e (60 pages)
  • WM70S (40 pages)
  • WM70S (100 pages)
  • WM700S (28 pages)
  • WM70SH5C (54 pages)
  • WM90S (66 pages)
  • WM900S (30 pages)
  • EM120PM (48 pages)
  • EM120SM (42 pages)
  • EM70S (40 pages)
  • EM70S (100 pages)
  • EM700S (30 pages)
  • EM90S (40 pages)
  • EM90S (66 pages)
  • EM900SDCE (44 pages)
  • PRO12 (38 pages)
  • MS70 (94 pages)
  • MS120H13 (92 pages)
  • MS18H5.5 (122 pages)
  • MS20H (88 pages)
  • MS30H (88 pages)
  • MS40H (48 pages)
  • MS40M (46 pages)
  • MC42S (84 pages)
  • MC44S (84 pages)
  • MC62S (120 pages)
  • MC64S (116 pages)
  • MC92S_P (86 pages)
  • MC94S_P (84 pages)
  • WC42S (84 pages)
  • WC62S_P (120 pages)
  • WC92S_P (86 pages)
Home Brands Popular manuals Recently added
Manuals Directory

© 2012–2025, azmanual.top
All rights reserved.