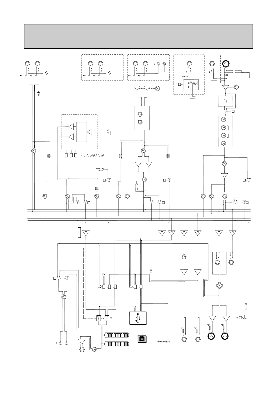
Block diagram schematic, Zed 10fx b lock di agr am, Allen & heath 14 zed-10fx user guide – Allen&Heath ZED-10FX User Manual
Page 14: Mon o ch ann el, Mai n lr, Ste reo ch ann el, Eff ects pro cessor, Mono chan n els 3 & 4 mono chan n els 1 & 2, Stereo ch ann el 1 stereo ch ann el 2, Pl a yback

Allen & Heath 14 ZED-10FX User Guide
BLOCK DIAGRAM SCHEMATIC
+
-
GA
IN
HM
HF
3 B
A
N
D
E
QU
A
LISE
R
MON
O CH
ANN
EL
ZED
10FX B
LOCK DI
AGR
AM
100
Hz
MI
C
IN
LE
VEL
P
FL
FX
A
U
X
LF
LIN
E
IN
PA
N
LE
FT
IN
SER
T
R
IGH
T I
N
SE
R
T
LE
VEL
L
R
MAI
N LR
H
PF
PFL
REC R
REC L
AUX
FX
R
L
MAI
N
OU
T
48
V T
o M
ics
FX
OU
T
A
U
X
M
IX
MAS
TER
LE
V
E
L
A
U
X OU
T
R
EC
O
RD
B
U
S
A
U
X-FX
U
SB
1
S
TE
R
E
O
I/O
R
E
CO
R
D
B
U
S
A
U
X
P
LA
YBA
CK
U
SB
A
U
D
IO
INPU
T
U
SB
D
E
VI
CE
P
FL
A
C
TIV
E
P
FL
A
CT
IV
E
ME
TE
R
S
P
H
ON
E
S
LE
VEL
H
E
A
D
P
H
ON
E
S
P
FL
/AF
L
0d
Bu N
O
M
IN
A
L
P
RI
O
R
IT
Y
S
W
IT
C
H
IN
G
P
RI
O
R
IT
Y
S
W
IT
C
H
IN
G
P
ha
nto
m
P
ower
P
ha
nto
m
P
ower
INS
TRU
ME
N
T
IN
GA
IN
B
O
OS
T
C
LA
SS
A
FE
T
H
I-Z D
I
MONO
CHAN
N
ELS 3
&
4
MONO
CHAN
N
ELS 1
&
2
R
EC
OR
D
R
L
R
L
GA
IN
HF
2 B
A
N
D
E
QU
A
LISE
R
LF
B
A
L
R
EC
OR
D
FX
A
U
X
P
FL
U
SB
A
U
D
IO
INPU
T
R
L
R
L
STEREO CH
ANN
EL 1
STEREO CH
ANN
EL 2
R
L
U
SB
A
U
D
IO
INPU
T
R
L
PL
A
YBACK
S
T1
-a
S
T2
S
T1
-b
STE
REO CH
ANN
EL
P
LA
YBA
CK
TO
A
U
X
P
LA
YBA
CK
LE
VEL
P
LA
YBA
CK
P
LA
YBA
CK
INPU
T
P
LA
YBA
CK
INPU
T
FOL
LOW
MI
X
R
L
R
E
CO
R
D
OU
T
O
U
TPU
T
R
L
MONIT
OR
OUTPU
T
E
FFE
C
TS
MI
X
DSP
E
FFE
C
T T
YPE
BA
N
K
S
EL
UP
S
EL
DO
WN
TA
P
/P
A
RA
M
ETER
EFF
ECTS
PRO
CESSOR
E
FFE
C
TS
MI
X
TO
M
IX
E
FFE
C
TS
FX
TO
A
U
X
R
EC
OR
D
MON
IT
OR
LEV
E
L
P
FL
