Anschlussschema, Anschluss der einheit – Pioneer PRS-D420 User Manual
Page 36

7
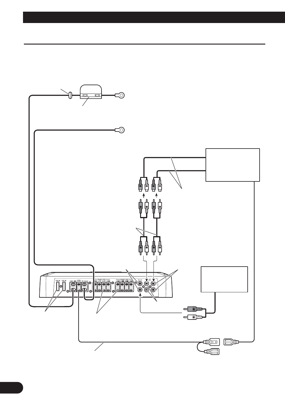
Anschluss der Einheit
Anschlussschema
• Dieses Schema zeigt die Anschlüsse für externen Ausgang (Subwoofer-Ausgang). Legen Sie den
Eingangsschalter nach links (RCA).
• Bei Verbindung mit Lautsprecher-Ausgang unterscheiden sich die Anschlüsse von denen dieses Schemas.
Genaueres hierzu finden Sie im Abschnitt “Benutzung des Lautsprecher-Eingangs”. Der Eingangsschalter
muss in jedem Fall eingestellt werden. Genaueres hierzu finden Sie im Abschnitt “Einstellen dieses Geräts”.
Tülle
RCA-Eingang
Spezielles rotes Batteriekabel [RD-228] (separat erhältlich)
Nachdem alle anderen Anschlüsse am Verstärker ausgeführt
worden sind, das Batterie-Kabelklemme des Verstärkers mit
der positiven (+) Klemme der Batterie verbinde.
Erdungskabel (schwarz) [RD-228] (separat erhältlich)
An Fabrzeugkarosserie oder Metallteil anschließen.
Verstärker mit RCA-
Eingangsbuchsen
Autostereo mit RCA-
Ausgangsbuchsen
RCA-Eingangsbuchsen A
RCA-Ausgangsbuchsen
System-Fernbedienungskabel (separat erhältlich)
Den Stecker dieses Kabels an die System-Fernbedienungsbuchse der Auto-Stereoanlage anschließen
(SYSTEM REMOTE CONTROL). Die Buchse kann am Auto-Antennen-Relais-Anschluss
angeschlossen werden. Sollte das Autostereo nicht über einen Fernbedienung-System-Regler-
Anschluss verfügen, schließen Sie das Steckteil am Stromanschluss des Zündschalters an.
Anschlusskabel mit
RCA-Stiftsteckern
(separat enhältlich).
Externer Ausgang
Falls nur ein Eingangsstecker
verwendet wird, keinesfalls
irgendetwas an die RCA-
Eingangsbuchse B anschließen.
Lautsprecher-Ausgangsklemme
Siehe Abschnitt: “Anschluss der
Lautsprecher und Eingangskabel” für
Einzelheiten bezüglich des
Lautsprecheranschlusses.
Sicherung (30 A)
× 2
RCA-Eingangsbuchsen B
Sicherung (40 A)
Ч 2