When connecting to separately sold power amp, 01 connecting the units – Pioneer AVH-5300DVD User Manual
Page 6

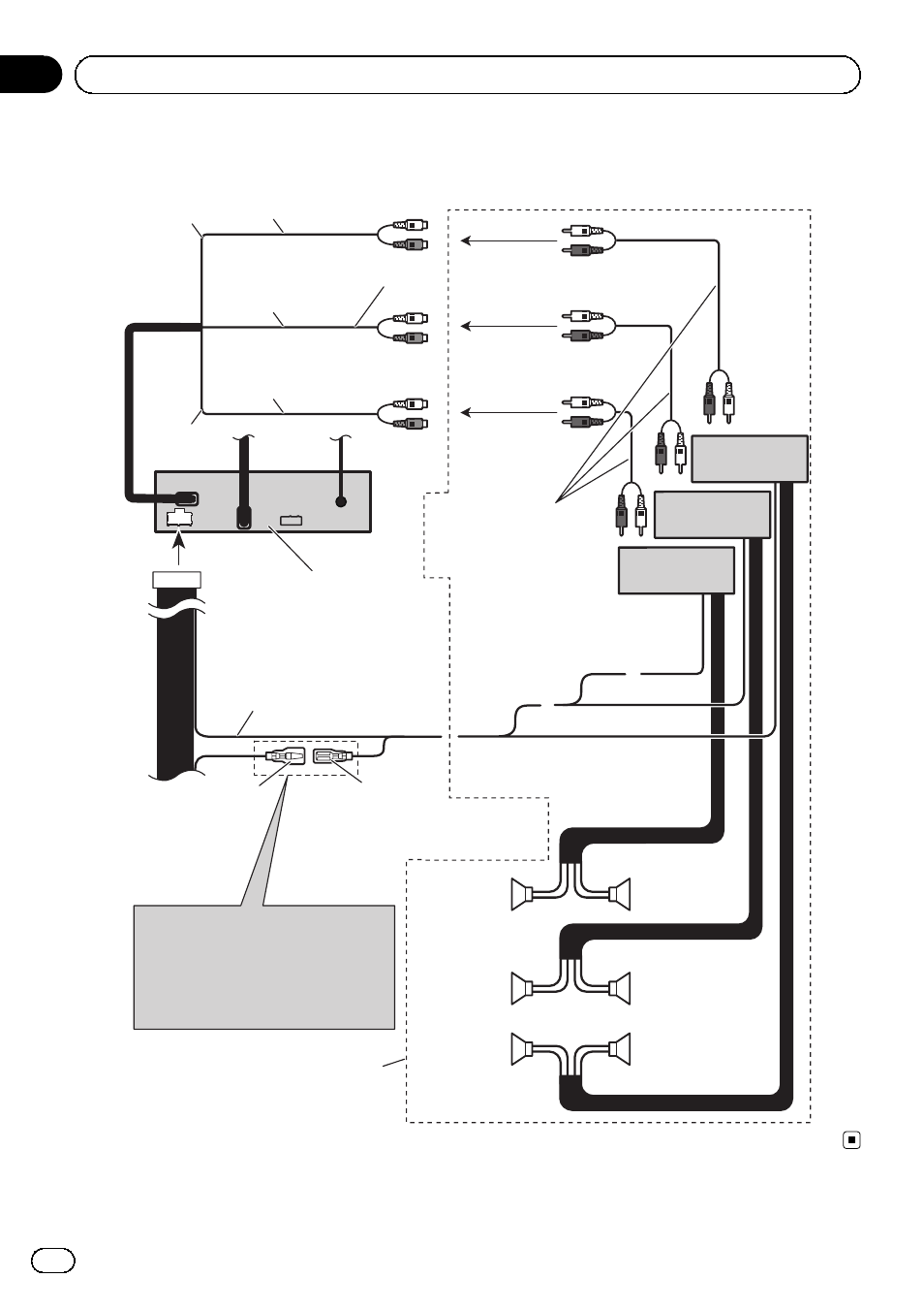
When connecting to separately sold power amp
This product
Rear output
(REAR OUTPUT)
Front output
(FRONT OUTPUT)
Subwoofer output
(SUBWOOFER OUTPUT)
13 cm
13 cm
17 cm
Blue/white
Connect to system control
terminal of the power amp
(max. 300 mA 12 V DC).
Blue/white (6*)
Connect to auto-antenna
relay control
terminal (max. 300 mA 12 V DC).
The pin position of the ISO connector
will differ depending on the type of
vehicle. Connect 5* and 6* when Pin 5
is an antenna control type. In another
type of vehicle, never connect 5* and 6*.
Blue/white (5*)
Rear speaker
Perform these connections when
using the optional amplifier.
System remote control
Front speaker
Front speaker
Left
Right
Rear speaker
Power amp
(sold separately)
Power amp
(sold separately)
Power amp
(sold separately)
Subwoofer
Subwoofer
Connect with RCA cables
(sold separately)
To front output
To rear output
To subwoofer
output
En
6
Section
01
Connecting the units