Search
Directory
Brands
t&mSystems manuals
Multimedia
Project 60.2P
Manual
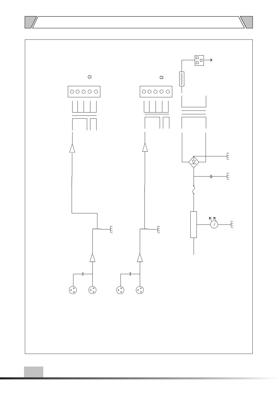
Т³гж 11, Block diagram – t&mSystems Project 60.2P User Manual
Page 11
Text mode
Original mode
8. BLOCK DIAGRAM
11
Project60.2P
E
B
P
A
1
0
0
V
7
0
V
4
C
O
M
C
H
2
L
IN
K
C
H
2
I
N
P
U
T
S
T
O
E
B
P
A
C
H
1
L
IN
K
C
H
1
I
N
P
U
T
S
T
O
P
O
W
E
R
Z
~
2
3
0
V
A
C
5
0
H
z
P
T
5
0
V
1
0
0
V
7
0
V
4
C
O
M
5
0
V
Pages:
1
…
9
10
11
12
13
14
wrong Brand
wrong Model
non readable
See also other documents in the category t&mSystems Multimedia:
Project 60 120
(13 pages)
Project 240
(13 pages)
Project 60.4P - 120.4P
(14 pages)
Project MIX10
(12 pages)
Project MIX241
(17 pages)
Project MIX818
(17 pages)
Project PageMic1
(12 pages)
Project PageMic8
(11 pages)
Project PageMic8E
(1 page)
Project RC1
(1 page)
Project RCML
(1 page)
Project RMI
(1 page)