Factory Direct Hardware Brizo 6526-LHP User Manual
Page 2

53909 Rev. B
2
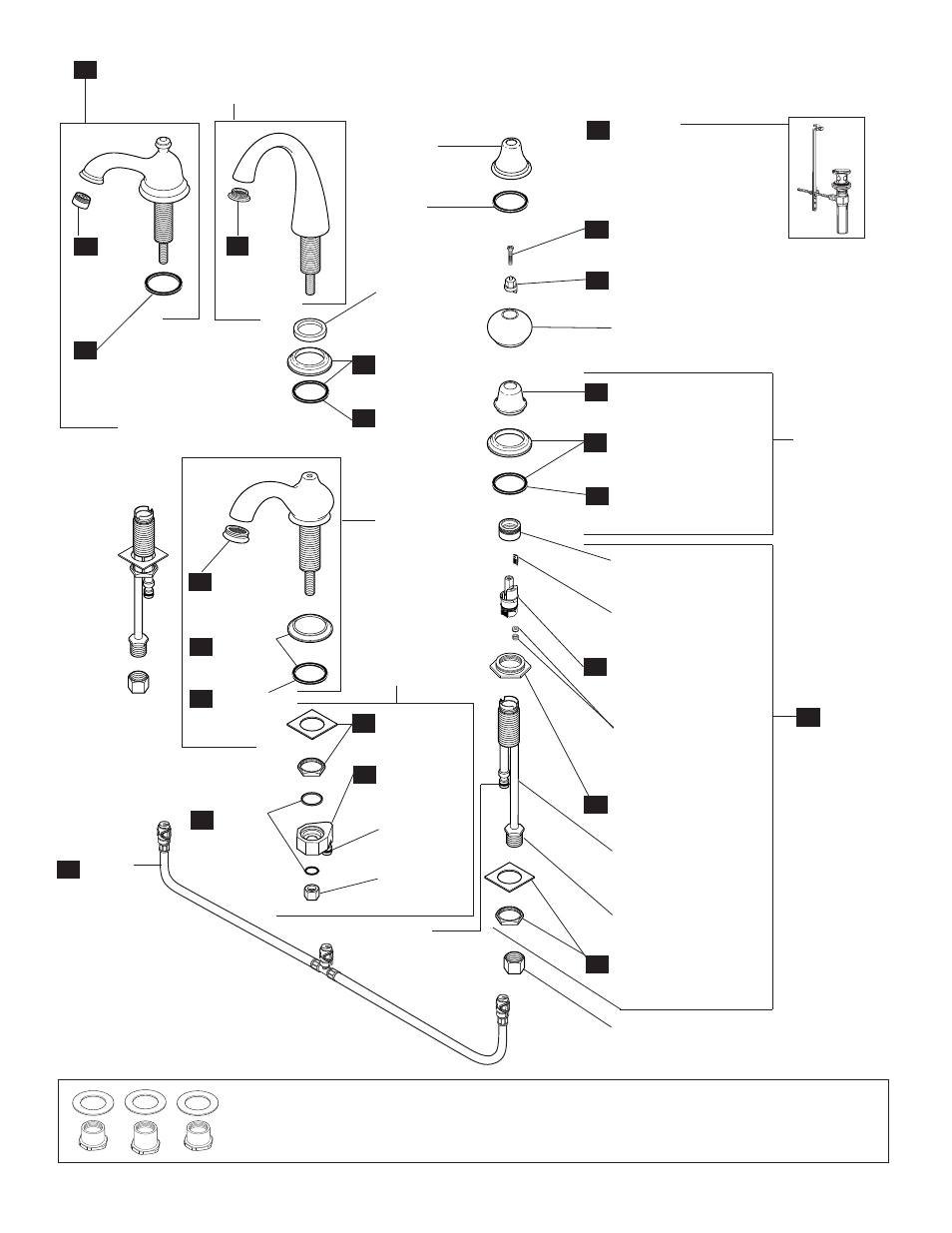
RP28030▲
▲
Spout Assembly
Ensamble del Tubo
de Salida
Bec
17
RP28653▲
▲
Pop-Up Assembly Less Rod
Desagüe Automático sin
Barra de Alzar
Renvoi Mécanique sans
Tige de Manoeuvre
18
RP53345▲
▲
Aerator
Aireador
Aérateur
6
RP23610▲
▲
Shroud
Aro de Refuerzo Acampanado
Fixation
RP24938
Bonnet Nut
Tuerca del Bonete
Chapeaux Fileté
13
1
RP28019
Threaded Adapter
Adaptador Enroscado
Adaptateur fileté
3
RP9519
Nuts & Washers
Tuercas y Arandelas
Écrous et Rondelles
2
RP38369
End Valve Assembly
Ensamble de 
Válvula Final
Soupape avec
Raccord
7
RP23618
Handle Insert
Inserto de la Manija
Insert de Poignée
9
RP23634
Screw
Tornillo
Vis
16
RP34352
Hose
Manguera
Flexible
RP5861
Coupling Nuts
Tuercas de Acoplamiento
Écrous de Raccordement
RP37062
Mounting Hardware
Piezas para 
la Montura
Pièces de Fixation
14
RP11729
Gasket &
O-Ring
Empaque y
Anillo “O”
Joint et 
Joint Torique
RP23609▲
▲
Shroud Assembly
Ensamble del Aro
Acampanado de
Refuerzo
Ensemble de Fixation
8
RP24097
1/4 Turn Stop
Tope a un 1/4 de Giración
Butée 1/4 de Tour
IPS Adapter
Adaptador de IPS
Adaptateur IPS
Inlet Tube Facing Out
Tubo de Admision
Cara Afuera
Tube d’entrée du
Côté Extérieur
RP6087
Nut & Washer
Tuerca y Arandela
Écrou et Rondelle
10
RP20368
Gasket
Empaque
Joint
5
RP23611▲
▲
Base w/Gasket
Base con Empaque
Embase avec Joint
4
RP20368
Gasket
Empaque
Joint
12
RP23092▲
▲
Base
Base
Embase
RP23628▲
▲
Spout Assembly
Ensamble del Tubo 
de Salida 
Bec
RP23626
Adapter Ring
Anillo de
Adaptador
Bague
d’adaptateur
RP23627▲
▲
Spout Less Base
Tubo de Salida sin Base
Bec sans Embase
Nut
Tuerca
Écrou
RP28648▲
▲
Porcelain Shroud
Aro Acampanado de Porcelana
Poignée ronde en porcelaine
12
RP23611▲
▲
Base
Base
Embase
10
RP20368
Gasket
Empaque
Joint
18
RP53345▲
▲
Aerator
Aireador
Aérateur
18
RP19754▲
▲
Aerator
Aireador
Aérateur
10
RP20368
Gasket
Empaque
Joint
RP38294
Coupling Tee
Acoplamiento 
de "T"
Raccord en T
15
11
▲
▲Designate proper finish suffix.
Note: Replacement parts for chrome 
models have no suffix.
▲
▲Designe la abreviación correcta para el
acabado. Nota: Las piezas de repuesto 
para los modelos de cromo no tienen 
una abreviación para su acabado.
▲
▲Précisez le suffixe du fini. Note: Les
pièces de rechange des modèles 
chromés ne portent pas de suffixe.
RP37760▲
▲
Shroud
Aro de Refuerzo 
Acampanado
Fixation
RP23946
Gasket
Empaque
Joint
RP13938
O-Ring
Anillo “O”
Joint Torique
Inlet Tube Facing Out
Tubo de Admision
Cara Afuera
Tube d’entrée du
Côté Extérieur
RP13938
O-Ring
Anillo “O”
Joint Torique
RP10700
Ceramic Seats & Springs
Asientos de Cerámica y 
Resortes
Sièges en céramique et 
ressorts
RP42216
Ceramic Stem Unit
Assembly
Ensamble de la Unidad de 
la Espiga de Cerámica 
Obturateur en céramique
Available thick deck mounting kit RP10612 adds 1" to maximum deck thickness.
Juego de piezas RP10612 disponible para superficies más gruesas le agrega 1" al grosor máximo de la superficie de instalación.
Le kit de montage sur surface épaisse RP10612 disponible ajoute un 1 po à l’épaisseur maximale de la surface.
