Search
Directory
Brands
Quadra-Fire manuals
Tools
CB1200-B
Manual
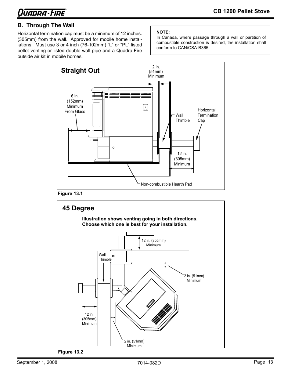
Straight out, 45 degree, Cb 1200 pellet stove – Quadra-Fire CB1200-B User Manual
Page 13: B. through the wall
Text mode
Original mode
Straight out, 45 degree, Cb 1200 pellet stove | B. through the wall | Quadra-Fire CB1200-B User Manual | Page 13 / 48
Pages:
1
…
11
12
13
14
15
…
48
wrong Brand
wrong Model
non readable
See also other documents in the category Quadra-Fire Tools:
CASTILE-MBK
(44 pages)
SAPPHIRE-D-PMH
(52 pages)
MTVERNON-AE-PMH
(52 pages)
CB1200M-MBK
(48 pages)
3100 31M-ACC-GT
(48 pages)
31M-ACC-MBK
(52 pages)
2100 Millennium Wood 21M-ACC
(44 pages)
MTVERNON-AE-MBK
(56 pages)