Directory
Brands
KITCHENAID manuals
Hobs
Cooktop
Manual

14 oven schematic – KITCHENAID Cooktop User Manual

Page 14

  • Text mode
  • Original mode
background image

14

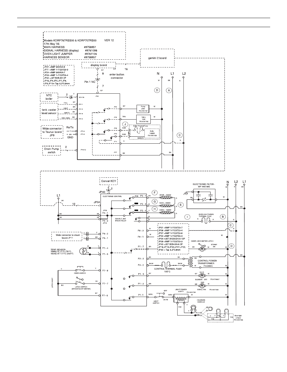
Oven Schematic

*

(

)

CLASSIC COMMERCIAL STYLE OVEN WITH STEAM ASSIST
WIRING DIAGRAM

APPLIANCE
MANAGER

STEAM BOARD

*Blower remains off until oven reaches 190°F (88°C) and may continue running up to 45 minutes after oven has turned off.

NOTE: Circuit is shown in standby/off mode with oven door closed.

Pages: 1 … 11 12 13 14 15 16
  • wrong Brand
  • wrong Model
  • non readable
See also other documents in the category KITCHENAID Hobs:
  • KHPF 9010 /I (8 pages)
  • KECC506RBL02 (3 pages)
  • KGRT607HWH5 (12 pages)
  • KECC508RPB02 (3 pages)
  • KECC567KSS03 (3 pages)
  • KICU568SBL0 (4 pages)
  • KECC507RSS01 (3 pages)
  • KECC507RSS05 (3 pages)
  • KECC507RWW03 (3 pages)
  • YKECD865H (16 pages)
  • KECC507GWW3 (3 pages)
  • KECC056RBL03 (3 pages)
  • KECC507GBL0 (3 pages)
  • KECC567GAL3 (3 pages)
  • KECC507GBL1 (3 pages)
  • KECC507GBL2 (3 pages)
  • W10240581 (4 pages)
  • KECD806RWW00 (4 pages)
  • KECC506RSS05 (3 pages)
  • KECC508GBT1 (3 pages)
  • KECC507BAL1 (5 pages)
  • KECC568RPW01 (3 pages)
  • KECC568GBT1 (3 pages)
  • KECC567RSS00 (3 pages)
  • KECC568MBL00 (3 pages)
  • KECC056RBL04 (3 pages)
  • KECC506RSS04 (3 pages)
  • KECC507RWW00 (3 pages)
  • KECC568RPS04 (3 pages)
  • KECD806RSS03 (4 pages)
  • KECC508RPW04 (3 pages)
  • KECD806RSS04 (4 pages)
  • KSVD060B (36 pages)
  • KECC567RSS05 (3 pages)
  • KDSS907SSS01 (13 pages)
  • 30 Inch Gas Cooktop Quick Start Guide (2 pages)
Home Brands Popular manuals Recently added
Manuals Directory

© 2012–2025, azmanual.top
All rights reserved.