Directory
Brands
KITCHENAID manuals
Mixers
KSM150PSGR0
Manual

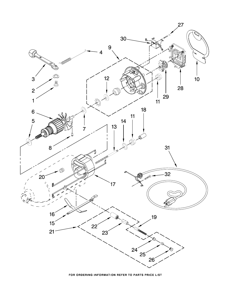
Motor and control, Motor and control parts – KITCHENAID KSM150PSGR0 User Manual

Page 8

  • Text mode
  • Original mode
Motor and control, Motor and control parts | KITCHENAID KSM150PSGR0 User Manual | Page 8 / 10 Motor and control, Motor and control parts | KITCHENAID KSM150PSGR0 User Manual | Page 8 / 10
Pages: 1 … 5 6 7 8 9 10
  • wrong Brand
  • wrong Model
  • non readable
This manual is related to the following products:
  • KSM150PSOB0 KSM150PSCL0 KSM150PSWH0 KSM150PSCB0 KSM150PSBK0 KSM150PSGN0 KSM150PSGP0
See also other documents in the category KITCHENAID Mixers:
  • KP26M1XDP4 (7 pages)
  • 400 (83 pages)
  • KHM5TBWH4 (27 pages)
  • KSM120ER0 (8 pages)
  • 4KHM5TBWH5 (2 pages)
  • KHM7QWH5 (2 pages)
  • KV25G0XMC4 (7 pages)
  • KSM150PSGN1 (8 pages)
  • KSM100PSOB0 (9 pages)
  • 5K45SS (236 pages)
  • 5KPM50BWH4 (8 pages)
  • KSM500WH0 (10 pages)
  • 6397dZw608 (70 pages)
  • 5K5SSC (38 pages)
  • KV25G0XBU5 (7 pages)
  • K45SSWH-0 (8 pages)
  • KL26M8XOB5 (8 pages)
  • KSM450BK0 (10 pages)
  • KSM500PSER0 (10 pages)
  • 9706634D (72 pages)
  • KM25G0XWH5 (5 pages)
Home Brands Popular manuals Recently added
Manuals Directory

© 2012–2025, azmanual.top
All rights reserved.