Directory
Brands
ScyTek Electronics manuals
Car alarm
PRECISION PRO 5500
Manual

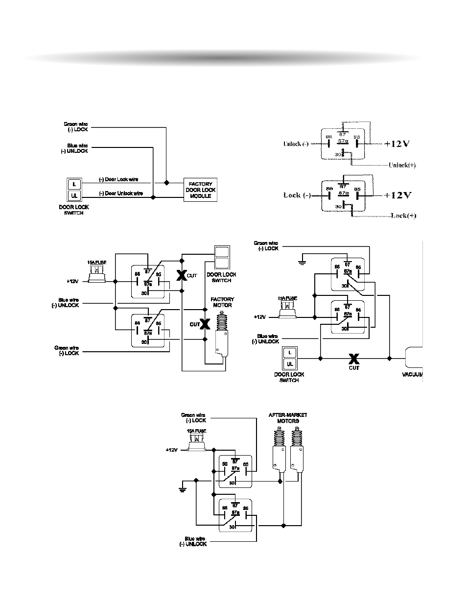
Door lock diagrams – ScyTek Electronics PRECISION PRO 5500 User Manual

Page 47

  • Text mode
  • Original mode
Door lock diagrams | ScyTek Electronics PRECISION PRO 5500 User Manual | Page 47 / 52 Door lock diagrams | ScyTek Electronics PRECISION PRO 5500 User Manual | Page 47 / 52
Pages: 1 … 45 46 47 48 49 … 52
  • wrong Brand
  • wrong Model
  • non readable
This manual is related to the following products:
  • PRECISION PRO 2200
See also other documents in the category ScyTek Electronics Car alarm:
  • 2000RS (48 pages)
  • PRECISION 2200 (40 pages)
  • 1000RS (24 pages)
  • 5000RS PLUS SERIES (32 pages)
  • GALAXY 5100RS (48 pages)
  • 5100RS-22W (36 pages)
  • 3000Plus Series (28 pages)
  • ASTRA 70000000 (28 pages)
  • ASTRA 300RS (12 pages)
  • ASTRA 777 (28 pages)
  • ASTRA 777-TC (40 pages)
  • G25 (12 pages)
  • ASTRA 777 Mobile (43 pages)
  • VISIONGUARD 6000 (36 pages)
  • VISIONGUARD 8000 (36 pages)
  • ASTRA 4000RS (32 pages)
  • Galaxy 2000RS-DBP (48 pages)
Home Brands Popular manuals Recently added
Manuals Directory

© 2012–2025, azmanual.top
All rights reserved.