Mvh-702drsc compactor — hydraulic system assy – Multiquip Mikasa Reversible Plate Compactor MVH-702DRSC User Manual

Page 48

background image

PAGE 48 — MQ-MIKASA MVH-702DRSC COMPACTOR — PARTS & OPERATION MANUAL — REV. #1 (12/17/03)

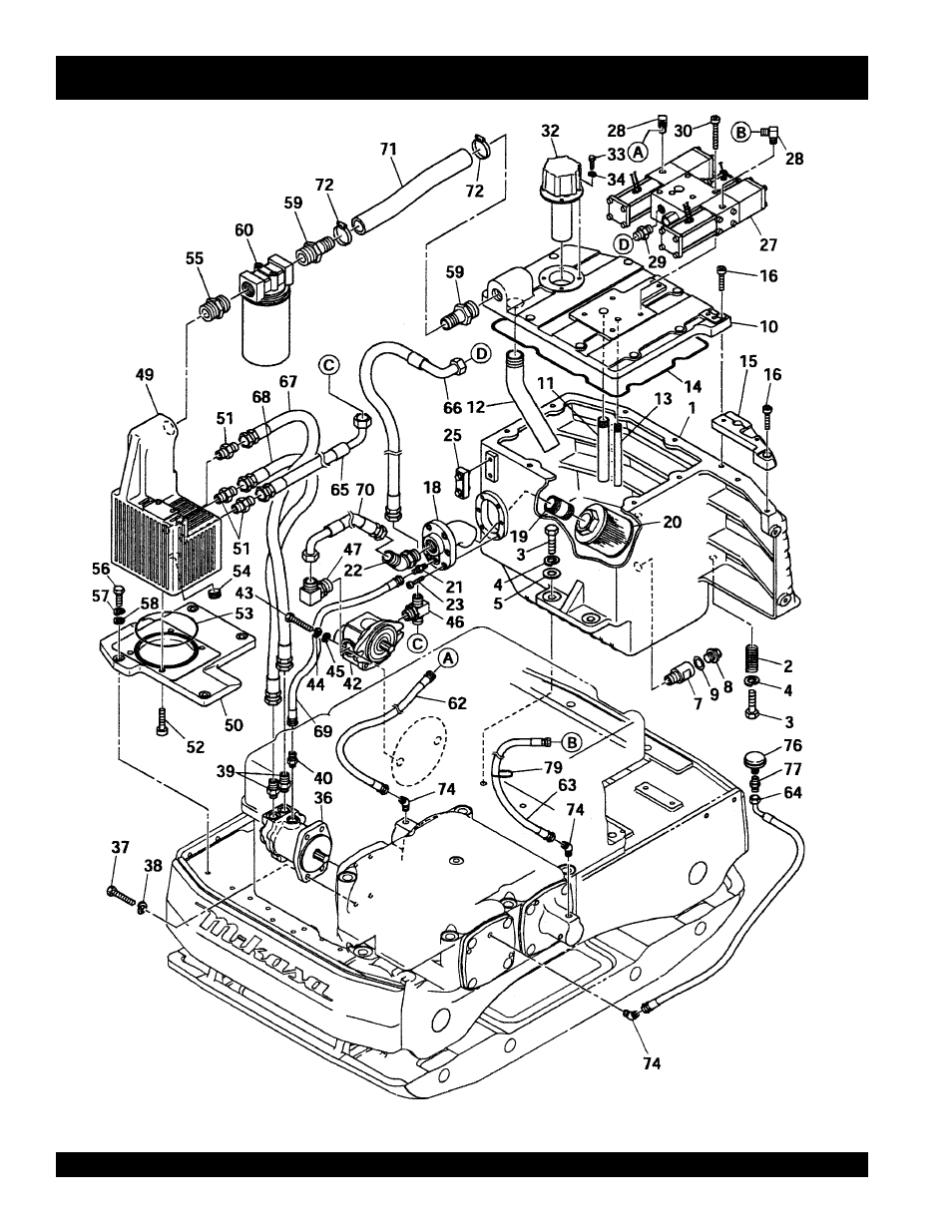
MVH-702DRSC COMPACTOR — HYDRAULIC SYSTEM ASSY.

HYDRAULIC SYSTEM ASSY.

This manual is related to the following products: