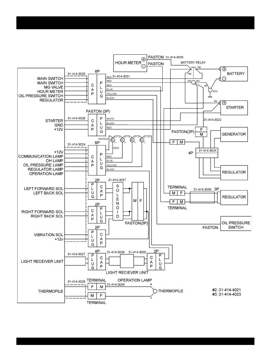
Mvh-702drsc — block diagram – Multiquip Mikasa Reversible Plate Compactor MVH-702DRSC User Manual

Page 30

background image

PAGE 30 — MQ-MIKASA MVH-702DRSC COMPACTOR — PARTS & OPERATION MANUAL — REV. #1 (12/17/03)

MVH-702DRSC — BLOCK DIAGRAM

Figure 17. Block Diagram

This manual is related to the following products: