Search
Directory
Brands
Multiquip manuals
Shredders
Mikasa Reversible Plate Compactor MVH-702DRSC
Manual
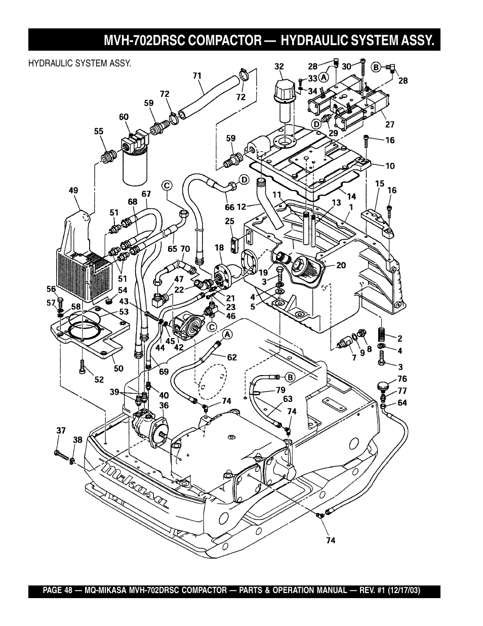
Mvh-702drsc compactor — hydraulic system assy – Multiquip Mikasa Reversible Plate Compactor MVH-702DRSC User Manual
Page 48
Text mode
Original mode
Mvh-702drsc compactor — hydraulic system assy | Multiquip Mikasa Reversible Plate Compactor MVH-702DRSC User Manual | Page 48 / 58
Pages:
1
…
46
47
48
49
50
…
58
wrong Brand
wrong Model
non readable
This manual is related to the following products:
MVH702DSRC
See also other documents in the category Multiquip Shredders:
Mikasa Reversable Plate Compator MVH-R60H
(80 pages)
Reversible Plate Compactor MVH-200DA2
(72 pages)
Mikasa Reversible Plate Compactor MVH-402DSB
(70 pages)
Plate Compactor MVC-40G
(62 pages)