Honda gx340k1 engine — carburetor assy – Multiquip High Cycle Generator GBP5000H User Manual

Page 68

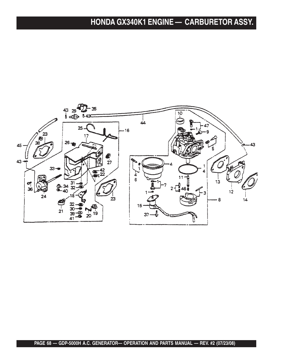
Honda gx340k1 engine — carburetor assy | Multiquip High Cycle Generator GBP5000H User Manual | Page 68 / 76 Honda gx340k1 engine — carburetor assy | Multiquip High Cycle Generator GBP5000H User Manual | Page 68 / 76
This manual is related to the following products: