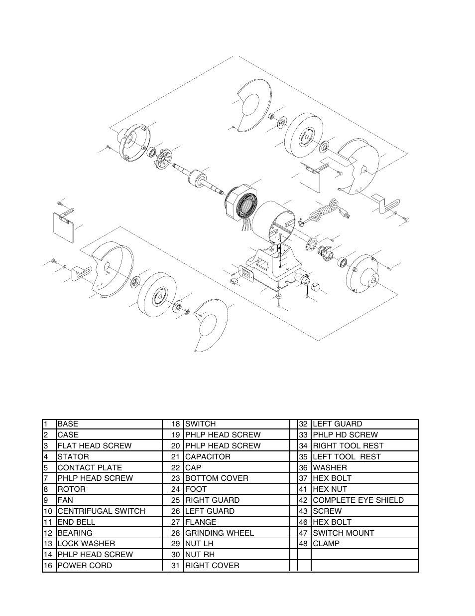
Xiv. parts diagram xv. parts list – Grizzly G1063 User Manual
Page 2
See also other documents in the category Grizzly Tools:
- H7670 (20 pages)
- H7792 (20 pages)
- H7947 (24 pages)
- G7958 (16 pages)
- G1007 (52 pages)
- G9861 (56 pages)
- G9861 (56 pages)
- Extreme Series Jointer G9860 (76 pages)
- H6331 (20 pages)
- G4179 (32 pages)
- G0500 (71 pages)
- T10446 (16 pages)
- G0463 (40 pages)
- H6143 (20 pages)
- G8125 (2 pages)
- H0800 (6 pages)
- POWER FEED H8370 (4 pages)
- H8116 (20 pages)
- G4003 (55 pages)
- G7948 (2 pages)
- T10010 (28 pages)
- H7668 (24 pages)
- Extren Series Jointer g9860 (76 pages)
- Panther 5 Shelf Unit T10001 (2 pages)
- 28 clipped head framing nailer h6145 (20 pages)
- G1021Z (39 pages)
- H7949 (32 pages)
- Extreme Duty Planners G9740 (76 pages)
- G4008 (26 pages)
- H8154 (1 page)
- 3/8" Impact Wrench w/ Front Exhaust H8119 (2 pages)
- Model H8222 (16 pages)
- G9953ZXF (76 pages)
- COMBINATION SANDER G1183 (48 pages)
- H7758/H7759 (28 pages)
- Extreme-Duty s G9740 (76 pages)
- G2790 (23 pages)
- G0633/G0634 (72 pages)
- G1006 (23 pages)
- Flex Shaft G9928 (12 pages)
- G0456 (48 pages)
- H8170/H8171 (32 pages)
- H7943/H7944 (24 pages)
- H0777 (10 pages)
- 5 GALLON AUTOMATIC MIXING PAINT TANK H8226 (16 pages)
