Wiring diagram, Ladder diagram, ggh2o, Model ggh2o – Greenheck Fan Grease Grabber H2O Auto-Cleaning Hood GGH20 User Manual
Page 24

24
Model GGH2O
®
U1 (FX-14)
42 - DO1
21 - DI
COM
26 - DI4
41 - DO1 COM
24VAC
120VAC
S1 120 VAC
Fill
Fire System
Hood Lights
Hood Lights
N
TR1
(N)
(H)
(H)
FS
FC
83 - 24V (H)
82 - 24V (C)
23 - DI2
Clean Hood
PB3
24 - DI3
Start-Stop Fan
PB2
45 - DO2
S2 120 VAC
Nozzle 1
48 - DO3
S3 120 VAC
Nozzle 2
52 - DO4
55 - DO5
S4 120 VAC
Drain
58 - DO6
C1 120 VAC
Recirc Pump
A2
A1
62 - DO7
R1 24 VAC
Fan
A1
A2
65 - DO8
R2 24 VAC
Detergent Pump
A1
A2
68 - DO9
44 - DO2
COM
47 - DO3 COM
51 - DO4 COM
54 - DO5 COM
57 - DO6 COM
61 - DO7
COM
64 - DO8 COM
67 - DO9 COM
25 - DI
COM
27 - DI5
Tank Full
FL1
28 - DI6
Tank Low
FL2
Det Low
FL4
R3 24 VAC
Det Low
A1
A2
Low Det Indicator
R4 24 VAC
Fire Mode
A1
A2
R4
Fire Mode
R3
Det Low
AR 24 VAC
3
2
AR
L4
S1
N
S2
S3
N
M1
S4
N
SC
F1
F2
F4
C
R1
Fan
Interlock
P2
Detergent
Pump
Motor
R2
N
RP
NO
21
24
21
P1
Recirculating
Pump
Motor
C1 120VAC
Recirculating
Pump
Contactor
14 11
BK
WHT
BK
WHT
32 - DI9
Clean Hood
Indicator
L3
6
Lights On/Off
PB1
Fan Indicator
L2
L1
Lights Indicator
R5
3 - Ext V
1 - AI COM
R1
11
R3
N1
H1
DP
L1
L2
L3
R5 120 VAC
Hood Lights
LED Relay
72 - AO1
73 - AO COM
V1
VC
GGH20/VAV Fan Mode
Interlock Connection
0VDC - Fan Auto
5VDC - Fan OFF
10VDC - Fan On for Dry
+VDC
COM
M2
22 - DI1
C1
Overload
96
A1
A2
L2
L3
PR
BK
BK
BK
BK
BK
BL
BL
BL
BL
BK
BK
OR
OR
OR
OR
OR
OR
OR
OR
OR
BL
BL
PR
BK
BL
WHT
WHT
WHT
WHT
WHT
WHT
RD
RD
RD
PR
RD
RD
RD
YW
YW
BL
BK
YW
YW
BR
YW
BL
YW
PR
BK
RD
12 GA
12 GA
12 GA
18 GA
18 GA
18 GA
18 GA
BK
BK
BK
BK
N
WHT
BL
BL
PR
PR
PR
PR
PR
BR
PR
PR
PR
18 GA
YW
YW
YW
12 GA
18 GA
PR
PR
R6 120 VAC
Wash Timer
Relay
A1
A2
T1
T2
Timer
Contact
BK
RD
BK
N
WHT
RD
R6
Wash Timer
11
PR
PR
5
10
13
11
1
6
2
3
15
14
N
WHT
36 - DI12
Safety
FL3
F3
PR
E2
14 GA
14 GA
E1
2 - AI1
4 - AI COM
TS
TC
OR
BR
81 - Earth
5 - AI2
6 - AI COM
I1
IC
OR
BR
Temp Sensor
(Freeze
Protection)
(If used)
Temp Sensor
(IMC Interlock)
(If used)
PR
BK
12 GA
WHT
BK
RD
WHT
BK
RD
7 - AI3
6 - AI COM
Temp Sensor
(IMC Interlock)
(If used)
OR
BR
I2
IC
Recirculating Pump Size
FLA
1.0 HP
17
1.5 HP
22
Brown
White
Blue
Orange
Yellow
RP
N
Recirculating Pump
Motor Wiring
Hood Lights
T3
T3
T2
T2
L1
T1
T1
14
11
14
11
14
24
24
14
C
95
WHT
WIRED FR
OM MO
TOR
ON RECIR
CULA
TING
PUMP
21
MOLEX PLUG FOR KEYPAD
(IF KEYPAD IS REMOTE MOUNTED, PLUG IS FIELD CONNECTED)
FIELD INSTALLED WIRING
Melink Fan Stop
Melink Fan
Stop Common
120VAC 1PH. 30 AMPS
SUPPLY POWER
WATER WASH
120VAC 1PH. 15AMPS
SUPPLY POWER
HOOD LIGHTS
FAN INTERLOCK
CONTACT
L1
L1
L1
41
41
41
41
41
41
41
T2
N
N
N
N
83
83
83
83
83
83
83
14
82
82
82
82
82
82
LF3
DP
RP
LF1
F4
FS
60
20
30
67
67
67
67
67
51
52
N
N
N
N
N
95
58
62
65
68
25
27
28
36
72
73
2
4
5
6
42
45
48
55
83
1
1
21
21
21
21
22
26
32
23
24
E2
E1
E1
H1
H1
L2
L1
N1
7
6
DISC
FU2
FU1
FU3
3POLE 32 AMPS
5 AMP
25 AMP
3 AMP
ECO
P.O.BOX 410 SCHOFIELD, WISCONSIN 54476-0410
CAD DRAWING NO.
REV.
PART NO.
-
IAN31295
LADDER DIAGRAM,
GGH2O
473596
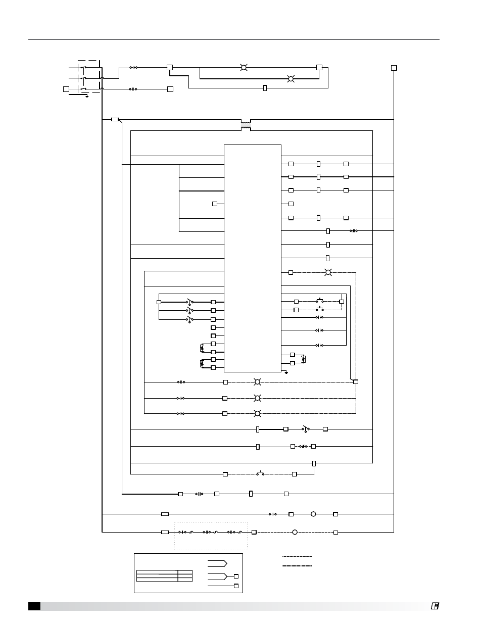
Wiring Diagram
Wiring diagram is located on the inside cover of the control cabinet located on the end of the hood.
