Service required, World class 3000, Instruction bulletin – Emerson WORLD CLASS 3000 User Manual
Page 19

Instruction Bulletin
106-300NE Rev. 3.4
May 2000
Rosemount Analytical Inc. A Division of Emerson Process Management
Installation 2-7
World Class 3000
VEE
DEFLECTOR
VEE
DEFLECTOR
DIFFUSION
ELEMENT
SETSCREW
FILTER
GAS FLOW
DIRECTION
APEX
P0017
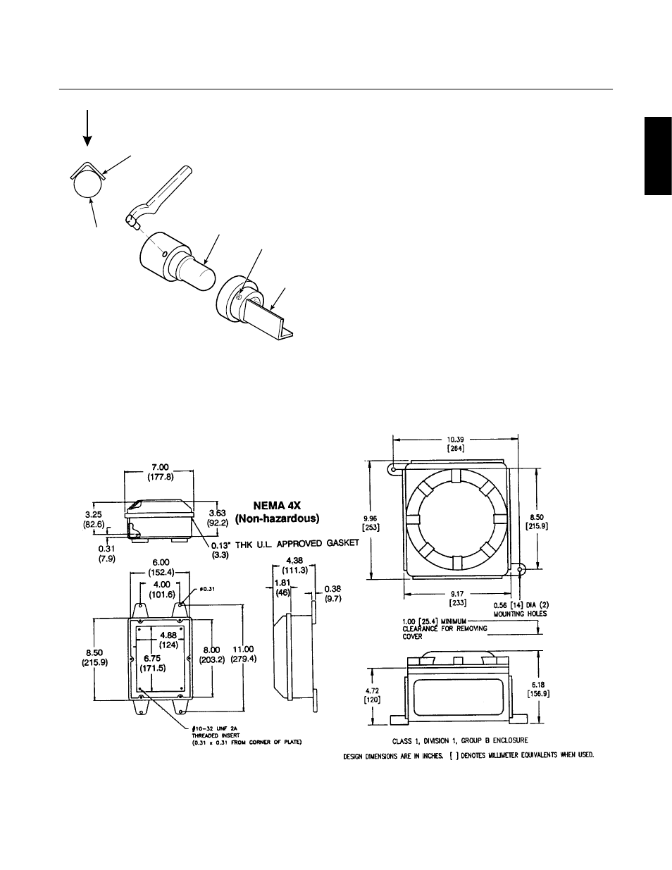
Figure 2-2. Orienting the Optional Vee Deflector
c. Service
Required
1. Power input: 100, 115 or 220 Vac sin-
gle phase, 50 to 60 Hz, 3 amp
minimum. (See label.)
2. Compressed air: 10 psig (68.95 kPag)
minimum, 225 psig (1551.38 kPag)
maximum at 2 scfh (56.6 L/hr) maxi-
mum; supplied by one of the following
(less than 40 parts-per-million total hy-
drocarbons). Regulator outlet pressure
should be set at 5 psi (35 kPa).
(a) Instrument air - clean, dry.
(b) Bottled standard air with step-down
regulator.
(c) Bottled compressed gas mixture
(20.95% oxygen in nitrogen).
(d) Other equivalent clean, dry, oil-free
air supply.
Figure 2-3. Outline of Heater Power Supply
2