GMC 2006 Sierra User Manual
Page 469

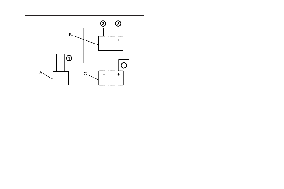
A. Heavy, Unpainted Metal Engine Part or Remote
Negative (
−
) Terminal
B. Good Battery or Remote Positive (+) and Remote
Negative (
−
) Terminals
C. Dead Battery or Remote Positive (+) Terminal
To disconnect the jumper cables from both vehicles do
the following:
1. Disconnect the black negative (
−
) cable from the
vehicle that had the bad battery.
2. Disconnect the black negative (
−
) cable from the
vehicle with the good battery.
3. Disconnect the red positive (+) cable from the
vehicle with the good battery.
4. Disconnect the red positive (+) cable from the
other vehicle.
5. Return the remote positive (+) terminal cover,
if equipped, to its original position.
Jumper Cable Removal
5-57
See also other documents in the category GMC Cars:
- OUTLOOK (80 pages)
- 2006 Savana (394 pages)
- 2012 Sierra (556 pages)
- 2012 Savana (424 pages)
- 2012 Canyon (386 pages)
- 2012 Acadia (456 pages)
- 2011 Sierra (594 pages)
- 2011 Savana (410 pages)
- 2011 Canyon (406 pages)
- 2011 Acadia (478 pages)
- 2010 Sierra (658 pages)
- 2009 Sierra (478 pages)
- 2009 Savana (406 pages)
- 2009 Acadia (516 pages)
- 2008 Envoy (468 pages)
- 2008 Canyon (428 pages)
- 2008 Acadia (472 pages)
- 2007 Sierra (674 pages)
- 2007 Savana (452 pages)
- 2007 Envoy (562 pages)
- 2007 Canyon (492 pages)
- 2007 Acadia (554 pages)
- 2006 Canyon (434 pages)
- 2005 Savana (384 pages)
- 2005 Canyon (420 pages)
- 2004 Sierra (588 pages)
- 2004 Savana (398 pages)
- 2004 Canyon (420 pages)
- 2003 Envoy (458 pages)
- 2003 Sierra (556 pages)
- 2003 Savana (400 pages)
- 2002 Sierra (499 pages)
- 2002 Savana (411 pages)
- 2002 Envoy (422 pages)
- 2001 Sierra (468 pages)
- 2001 Savana (412 pages)
- 2001 Envoy (448 pages)
- 2000 Sierra (421 pages)
- 2000 Savana (398 pages)
