Installing your vhf 300 series radio – Garmin VHF GHS 10i User Manual
Page 2

VHF 300 Series Installation Instructions
Installing your VHF 300 Series Radio
1. Select locations for the radio components.
2. Install the transceiver box (
3. Install the active speaker (
).
Although these options are not necessary to use your radio, these
instructions cover the following additional installation options.
Connecting the GHS 10 to a passive speaker (
)
Connecting the radio to a chartplotter or another GPS device
(
)
Connecting the radio to a hailer horn (
•
•
•
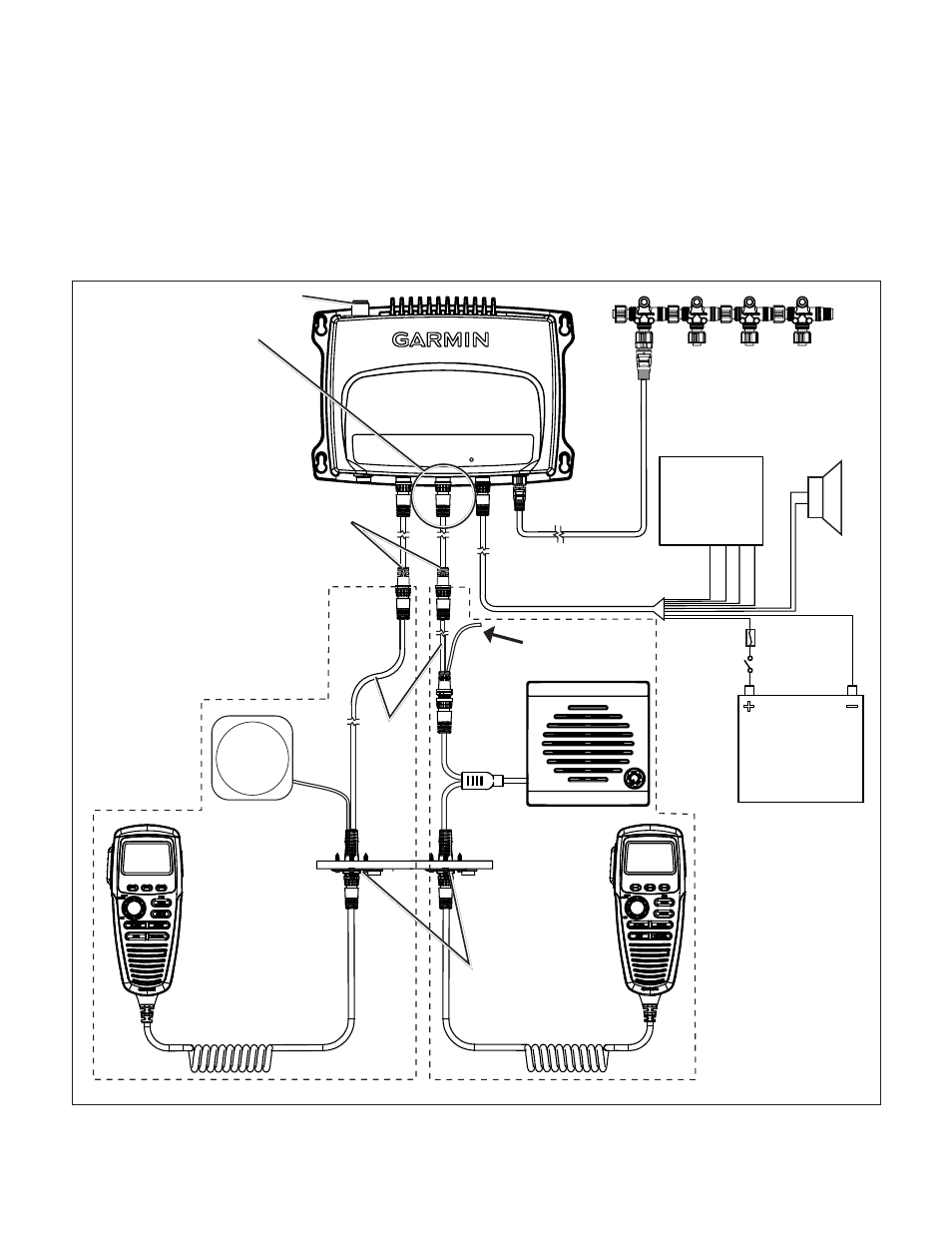
Selecting Locations for the VHF 300 Series Radio Components
Use the diagram to determine how to best organize the VHF 300 series radio components on your boat. Test to be sure the cables reach all
components before permanently mounting any component.
VHF 300 Series Layout Diagram
VHF 300 transceiver box
NMEA 000 network
(optional)
NMEA 000 drop
cable (optional)
VHF 300 power/data cable
GHS 10
GHS 10 active
speaker
NMEA 0183
device
(optional)
1 Vdc
Bulkhead pass-through
plate
GHS 10 with a passive speaker
Antenna connector
Hailer horn
(optional)
GHS 10
cable
GHS 10 cable
extension
(optional)
GHS 10
Passive
speaker
(not included)
Clip and tape
bare wires
Active
speaker
cable
GHS 10 with an active speaker
Switch
10 A
fuse
GHS 10 station 1
This GHS 10 must
be located in the
wheelhouse or an
adjacent room per
FCC law.
Notes:
Install the transceiver box in a dry, protected location.
•
