haier MI-2270MG User Manual
Page 10

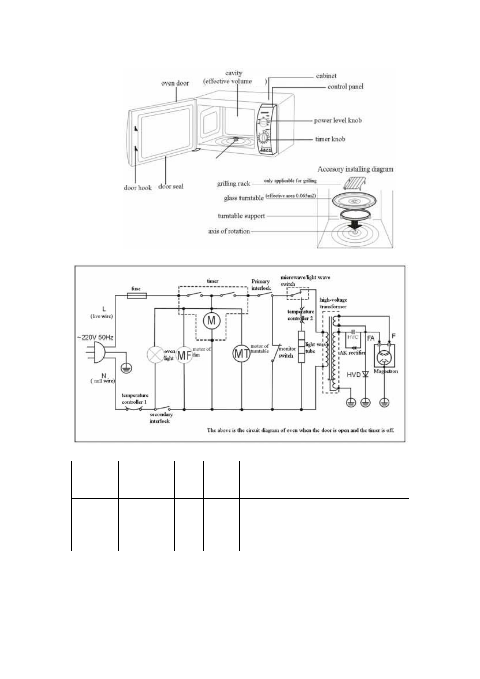
Parts and Accessories
Circuit Diagram
Technical Specifications
Model
Power
voltage
(V/Hz)
Input
(W)
Output
(W)
Grilling
power (W)
Microwave
frequency
(MHz)
Cavity
volume
(L)
Outside
dimensions (H x
W x D)
Effective cavity
dimensions (H x
W x D)
MO-2270MG
~220/50 1200
700
950
2450
22
288x486x370
196x311x312
MM-2270MG ~220/50 1200
700
950
2450
22
288x486x380
196x311x312
MI-2270MG
~220/50 1200
700
950
2450
22
288x486x376
196x311x312
MK-2270MG
~220/50 1200
700
950
2450
22
288x486x370
196x311x312
Please note that the dimensions and volume are estimated values. Due to the continuous improvement, the
technical specifications may be different from the above table, which will not be informed separately.
1
22L