Wiring circuit – haier HA1000TE User Manual
Page 18

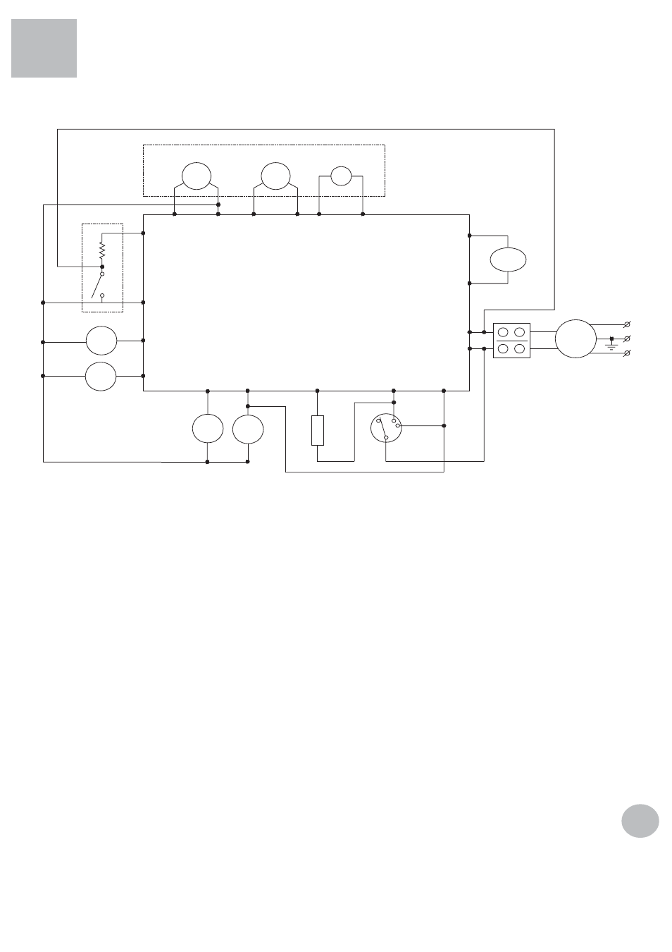
Wiring Circuit
16
Motor
R
S
T
M1
M2
M3
M5
M7
M8
CN1-2
CN2-1
CN1-3
CN1-1 CN3-3
CN3-1
CN2-2
CON3
CN2-3
CN2-4
CN2-5
CN2-6
CON3
CN3-3
CN3-4
CON2
CON1
CN6-3
CN6-4
PCB
NTC
SW
N
G
L
FA
MRN
MRL
MRC
MR
EVF
EVP
PS
EVC
R
12
13
14
11
P
PCB-Printed Circuit Board
Motor-Motor
MR-Door Lock
R-Heating Element
PS-Drain Pump
P-Pressure Switch
EVP,EVF-Cold water Valve
EVS-Hot Water Valve
FA-Interference Suppresser NTC-Temperature Sensor
SW-Power Switch
Motor-Motor
See also other documents in the category haier Washers:
- HVS1200 (10 pages)
- HBS82-880 (17 pages)
- HWM90-98 (20 pages)
- HLT364XXQ (52 pages)
- XPB80-35 (12 pages)
- HWM62-0566 (18 pages)
- XPB65-27QGS (18 pages)
- XPB70-113S (20 pages)
- HK1207I/ME (10 pages)
- XQG50-11 (29 pages)
- HWM15-0501 (12 pages)
- HM500TX (24 pages)
- WNA500T (22 pages)
- XQBM30-22 (20 pages)
- XQB60-91BF (31 pages)
- XQB55-10H (20 pages)
- HWM80-928NZP (20 pages)
- HWM70-98 (21 pages)
- HKS1200TXVE (10 pages)
- HWM60-10 (18 pages)
- HWM1270KFL (10 pages)
- Twin-tub Washing Machine (16 pages)
- HWM80-0626SH (19 pages)
- HWM80-0566 (10 pages)
- HWM60-111P (20 pages)
- WMS650 (20 pages)
- HWM90-0713S (18 pages)
- XQB70-10 (20 pages)
- HW-DS50TVE (27 pages)
- HLP23E (60 pages)
- HLP23E (21 pages)
- HWM55-33W (12 pages)
- XPB40-32 (26 pages)
- HWM20-0701 (12 pages)
- XPB60-113S (19 pages)
- XPB70-112S (19 pages)
- HWM90-96A (11 pages)
- HWM8000 (18 pages)
- HWM65-0528 (10 pages)
- HWM90DD (20 pages)
- HWM88-0566T (10 pages)
- HWM6815 (20 pages)
- HWM40-32 (12 pages)
- HK800TXVE/ME (10 pages)
- WD55dHSHAT (19 pages)