Prototype area – Linx Technologies MDEV-xxx-TT User Manual
Page 22

–
–
–
–
38
39
GND
R24
330
5VUSB
D2
POWER (GREEN)
D3
OVER CURRENT (RED)
R22
330
VCC
FAULT
VCC
BUS
GND
BUS
1
TP3
1
TP2
GN
D
GN
D
1
TP4
VC
C
39
40
41
42
43
44
45
46
47
48
49
50
51
52
53
54
55
56
38
37
36
35
29
30
31
32
33
34
7
8
9
10
11
12
13
14
15
16
17
18
19
20
21
22
23
24
25
26
27
28
1
2
3
4
J6
100mil
Header
TXD
RXD
RTS
CTS
1
2
3
4
5
6
7
8
9
10
11
12
13
14
15
16
17
18
19
20
21
22
23
24
25
26
J5
100mil
Header
VCC
BUS
6
R6
0
GN
D
VC
C
R10
DNP
VC
C
1
2
3
4
5
6
7
8
9
10
11
J7
100mil
Header
1
2
3
4
5
6
7
8
9
10
11
12
13
14
J4
100mil
Header
R45
DNP
GN
D
R44
DNP
R43
DNP
R42
DNP
R41
DNP
R40
DNP
R39
DNP
R38
DNP
GN
D
GN
D
GN
D
GN
D
GN
D
GN
D
GN
D
GN
D
R52
DNP
R19
DNP
GN
D
VC
C
R11
DNP
GN
D
R50
DNP
GN
D
R14
DNP
GN
D
R1
70
VC
C
R12
DNP
GN
D
R26
DNP
R23
DNP
GN
D
R21
DNP
GN
D
R47
DNP
GN
D
R48
DNP
GN
D
R49
DNP
GN
D
R15
DN
P
VC
C
R18
DN
P
GN
D
R13
DNP
U2
R5
10k
GND
5VUSB
GND
+
C7
100uF
VCC
GND
Vin
1
GND
2
Vout
3
U3
C8
0.47uF
GND
FAUL
T
IN
1
GND
2
EN
3
FAULT
4
ILIM
5
OUT
6
TPS2553
SW3
5VUSB
EN
FAULT
GND
1
2
J3
100mil Header
Battery Input
D1
+
GN
D
GN
D
C1
4.7u
F
C3
0.01u
F
L1
600R/1.3A
GN
D
C5
47pF
R4
0
C2
0.1u
F
VCC
12
VCCIO
3
3V3OUT
10
GND
5
GND
13
USBDM
9
USBDP
8
RESET
11
TX
D
1
RX
D
4
RT
S
2
CT
S
6
CBUS0
15
CBUS1
14
CBUS2
7
CBUS3
16
U6
FT230X
C4
47pF
C6
0.1u
F
GN
D
5V
1
DAT-
2
DAT+
3
NC
4
GSHD
6
GSHD
7
GN
D
5
J1
Micro
USB
TX
D
RX
D
RT
S
CT
S
R1
27
R2
27
5VUSB
USB AREA
POWER SUPPLY AREA
RF MODULE CARRIER AREA
PROTOTYPE AREA
PROTOTYPE AREA
GND
R7
53.6k
R9
53.6k
GND
Q1
R3
10k
BCD Charger
RF
1
2
3
4
5
6
7
8
9
10
11
12
13
14
15
16
17
18
19
20
21
22
23
24
25
26
27
28
29
30
31
32
33
34
35
36
37
38
39
40
41
42
43
44
45
46
47
48
49
50
51
52
53
54
55
56
J2
Carrier Interconnect Female
1
GND
2-
5
ANT1
CONREVSMA001
GND
GND
GND
GND
GND
7
8
9
10
11
12
13
14
15
16
17
18
19
20
21
22
23
24
25
26
27
28
29
30
31
32
33
34
35
36
37
38
39
40
41
42
43
44
45
46
47
48
49
50
51
52
53
54
55
56
X1
0 Ohm
6
X3
DNP
GND
GND
X2
DNP
C10
0.1uF
GND
VCC
R8
DNP
GN
D
R16
DNP
GN
D
R20
DNP
GN
D
R28
DNP
GN
D
R29
DNP
VCC
R30
DNP
GN
D
R31
DNP
GN
D
C9
0.1uF
GND
R32
DNP
GN
D
R34
DNP
GN
D
R35
DNP
GN
D
R53
DNP
GN
D
R54
DNP
GN
D
R55
DNP
GN
D
R56
DNP
GN
D
PWREN#
SW1
SW2
9
15
CMD_DATA_IN
CMD_DATA_OUT
BCD Charger
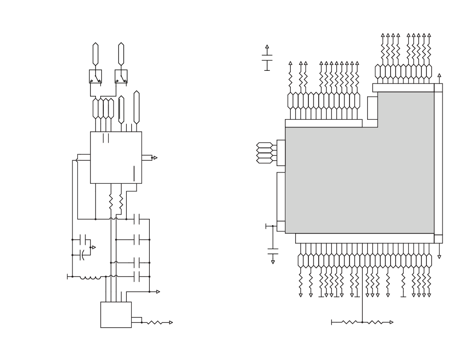
Figure 50: Prototype Board USB Area Schematic
GND
R24
330
5VUSB
D2
POWER (GREEN)
D3
OVER CURRENT (RED)
R22
330
VCC
FAULT
VCC
BUS
GND
BUS
1
TP3
1
TP2
GN
D
GN
D
1
TP4
VC
C
39
40
41
42
43
44
45
46
47
48
49
50
51
52
53
54
55
56
38
37
36
35
29
30
31
32
33
34
7
8
9
10
11
12
13
14
15
16
17
18
19
20
21
22
23
24
25
26
27
28
1
2
3
4
J6
100mil
Header
TXD
RXD
RTS
CTS
1
2
3
4
5
6
7
8
9
10
11
12
13
14
15
16
17
18
19
20
21
22
23
24
25
26
J5
100mil
Header
VCC
BUS
6
R6
0
GN
D
VC
C
R10
DNP
VC
C
1
2
3
4
5
6
7
8
9
10
11
J7
100mil
Header
1
2
3
4
5
6
7
8
9
10
11
12
13
14
J4
100mil
Header
R45
DNP
GN
D
R44
DNP
R43
DNP
R42
DNP
R41
DNP
R40
DNP
R39
DNP
R38
DNP
GN
D
GN
D
GN
D
GN
D
GN
D
GN
D
GN
D
GN
D
R52
DNP
R19
DNP
GN
D
VC
C
R11
DNP
GN
D
R50
DNP
GN
D
R14
DNP
GN
D
R1
70
VC
C
R12
DNP
GN
D
R26
DNP
R23
DNP
GN
D
R21
DNP
GN
D
R47
DNP
GN
D
R48
DNP
GN
D
R49
DNP
GN
D
R15
DN
P
VC
C
R18
DN
P
GN
D
R13
DNP
U2
R5
10k
GND
5VUSB
GND
+
C7
100uF
VCC
GND
Vin
1
GND
2
Vout
3
U3
C8
0.47uF
GND
FAUL
T
IN
1
GND
2
EN
3
FAULT
4
ILIM
5
OUT
6
TPS2553
SW3
5VUSB
EN
FAULT
GND
1
2
J3
100mil Header
Battery Input
D1
+
GN
D
GN
D
C1
4.7u
F
C3
0.01u
F
L1
600R/1.3A
GN
D
C5
47pF
R4
0
C2
0.1u
F
VCC
12
VCCIO
3
3V3OUT
10
GND
5
GND
13
USBDM
9
USBDP
8
RESET
11
TX
D
1
RX
D
4
RT
S
2
CT
S
6
CBUS0
15
CBUS1
14
CBUS2
7
CBUS3
16
U6
FT230X
C4
47pF
C6
0.1u
F
GN
D
5V
1
DAT-
2
DAT+
3
NC
4
GSHD
6
GSHD
7
GN
D
5
J1
Micro
USB
TX
D
RX
D
RT
S
CT
S
R1
27
R2
27
5VUSB
USB AREA
POWER SUPPLY AREA
RF MODULE CARRIER AREA
PROTOTYPE AREA
PROTOTYPE AREA
GND
R7
53.6k
R9
53.6k
GND
Q1
R3
10k
BCD Charger
RF
1
2
3
4
5
6
7
8
9
10
11
12
13
14
15
16
17
18
19
20
21
22
23
24
25
26
27
28
29
30
31
32
33
34
35
36
37
38
39
40
41
42
43
44
45
46
47
48
49
50
51
52
53
54
55
56
J2
Carrier Interconnect Female
1
GND
2-
5
ANT1
CONREVSMA001
GND
GND
GND
GND
GND
7
8
9
10
11
12
13
14
15
16
17
18
19
20
21
22
23
24
25
26
27
28
29
30
31
32
33
34
35
36
37
38
39
40
41
42
43
44
45
46
47
48
49
50
51
52
53
54
55
56
X1
0 Ohm
6
X3
DNP
GND
GND
X2
DNP
C10
0.1uF
GND
VCC
R8
DNP
GN
D
R16
DNP
GN
D
R20
DNP
GN
D
R28
DNP
GN
D
R29
DNP
VCC
R30
DNP
GN
D
R31
DNP
GN
D
C9
0.1uF
GND
R32
DNP
GN
D
R34
DNP
GN
D
R35
DNP
GN
D
R53
DNP
GN
D
R54
DNP
GN
D
R55
DNP
GN
D
R56
DNP
GN
D
PWREN#
SW1
SW2
9
15
CMD_DATA_IN
CMD_DATA_OUT
BCD Charger
Figure 51: Prototype Board Prototype Area Schematic
