X4 x2, For center direct pulley, For center one-way pulley – HPI Racing Cyclone Moore-Speed WCE User Manual
Page 11

11
73522
61332b
72105
72105
B020
A165
61332a
73522
61050
B030
B030
61318
61318
Z892
Silver
シルバー
Z891
Copeer
カッパー
61318
x2
61332a
61332b
61089
61089
Z082
HB70733
76600
HB70726
B017
HB70714
HB70725
B017
Z700
Z700
61324
4
HB70725
B017
HB70743
4
Z700
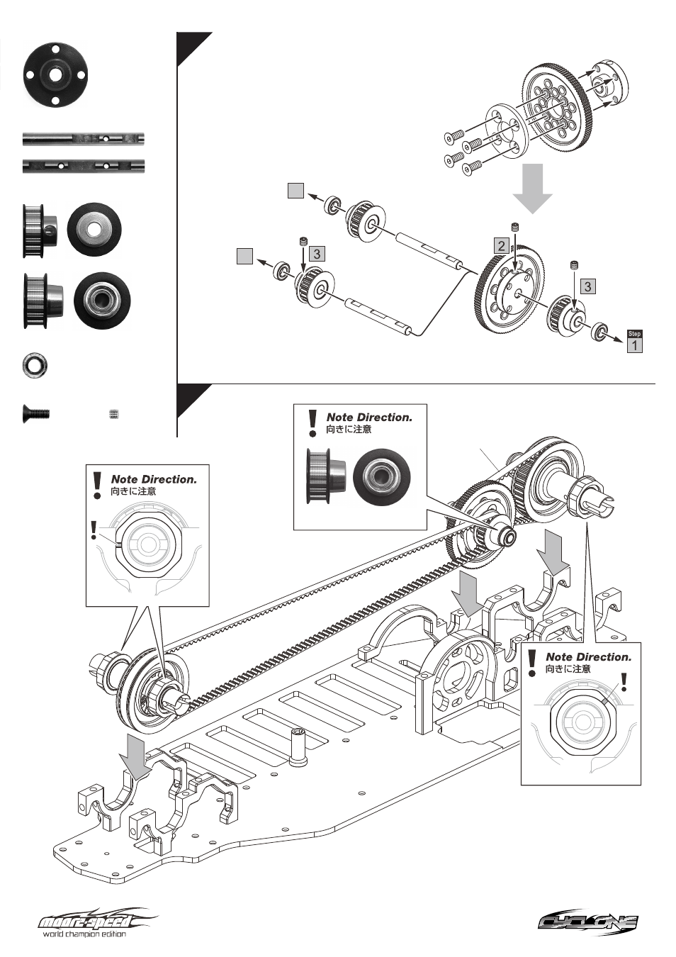
センターダイレクトプーリーを使用する場合
for Center direct pulley.
センターワンウェイプーリーを使用する場合
for Center one-way pulley.
8
7
61324
HB70738
HB70739
HB70726 Center One-way (16T)
センターワンウェイ
x1
B017
4 x 8 x 3mm
x2
Z082
M3 x 8mm
x4
Z700
M3 x 3mm
x4
x2
HB70725
x1
HB70726
One-Way
HB70714
x1
HB70743
x1