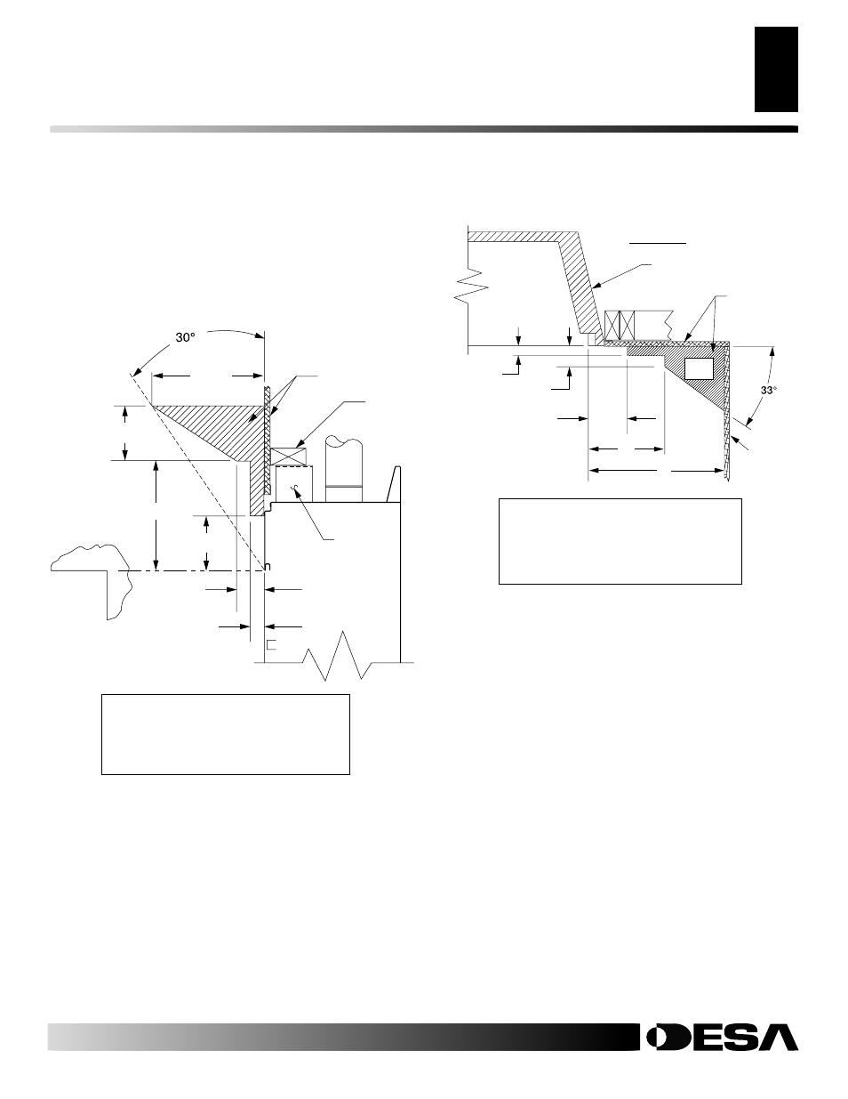
Pre-installation preparation, Continued, Mantel clearances and wall details – Desa M36E User Manual
Page 7
See also other documents in the category Desa Stoves:
- (V)VC36PE Series (38 pages)
- (V)VC36NE Series (40 pages)
- (V)VC36NE Series (38 pages)
- VVDR18 (24 pages)
- LMFP33NR(A) (36 pages)
- VC42PE SERIES (40 pages)
- EFS10RNA (44 pages)
- (V)K42N SERIES (40 pages)
- VSGF36NTA (40 pages)
- CGCF26TN (30 pages)
- CDCFPRA (40 pages)
- VM42 (30 pages)
- VTGF33PRA (40 pages)
- (V)K42EN SERIES (38 pages)
- CGCF26TPA (24 pages)
- BHDV37PC (40 pages)
- VMH10TPA (28 pages)
- (V)VC42NE (38 pages)
- K42EP (38 pages)
- VDCFRPA (44 pages)
- (V)K36N (36 pages)
- (V)VC42PE Series (40 pages)
- (V)VC42NE Series (38 pages)
- VC42N SERIES (40 pages)
- DVF34P (36 pages)
- V)CD36RN (52 pages)
- VMH26TNB (28 pages)
- FVMR18 (20 pages)
- P324E (30 pages)
- KC42P (44 pages)
- VDCFTPB (44 pages)
- EFS10TN (44 pages)
- EFS10TNA (44 pages)
- EFS10TP (44 pages)
- EFS10TN (44 pages)
- T32P (38 pages)
- RFP28TB (40 pages)
- LCF18 (20 pages)
- VDCFTN (44 pages)
- VI33PR (28 pages)
- HDCFTP (32 pages)
- (V)TC36N SERIES (40 pages)
- CDCFTPA (48 pages)
- GA9150A (12 pages)
- CDV37N/P (36 pages)
