220v – Shellab SRI3-2 User Manual
Page 14

14
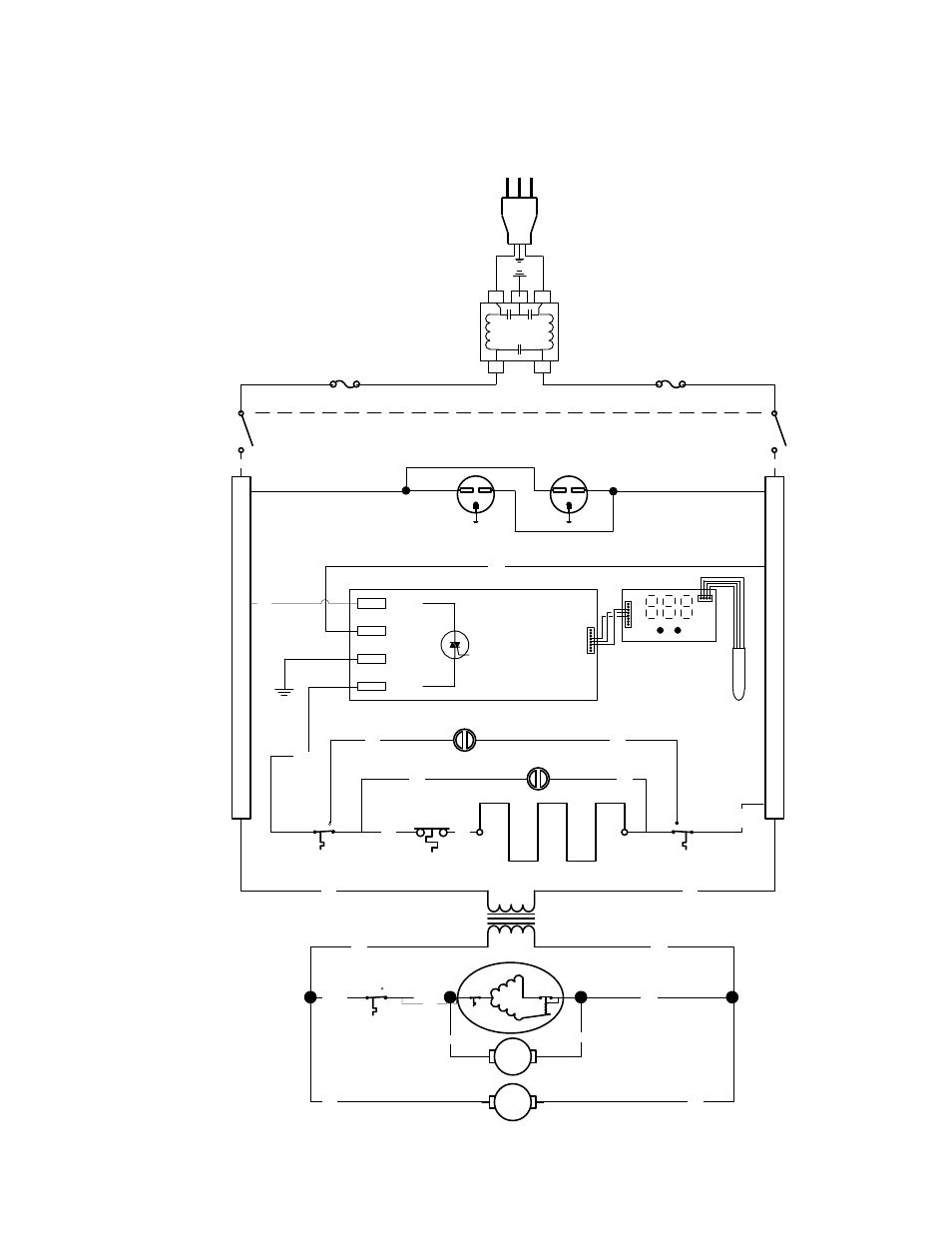
220V
(9851236)
BLK
RED
IF
BLU
RED
BLK
RED
ORN
BLK
HT
BLK
HT
RED
HT
RED
RED
RED
BLK
YEL
CF
YEL
RED
RED
2
1
4
2
1
4
4650553
G
R
4650554
4880564 COMPRESSOR FAN
4880545 INTERNAL FAN
THE COMPRESSOR IS PART
OF THE BASE UNIT
1750862
PRESET TO 35°C
½ 1750813
9570864 ELEMENT ASSY
1750715
155°F/68°C
2350508 ELEMENT COIL
SAFETY ACTIVATED
HEATING ACTIVATED
2
4
1
½ 1750813
BLK
BLK
BRN
BRN
8350515 TRANSFORMER
240/120VAC 750VA
YEL
2800502
EMI FILTER
HOT
NEUTRAL
GROUND
LOAD
POWER CORD
1800541
BLK
BLK
B
L
K
RED
RED
RED
HT
FUSE
FUSE
OUTLETS
6100531
GREEN LIGHTED POWER SWITCH 7850570
TEMPERATURE
CONTROL
1750968
This manual is related to the following products:
See also other documents in the category Shellab Equipment:
- BACTRON300 (70 pages)
- BACTRONEZ (65 pages)
- BACTROX (32 pages)
- SCO2W (25 pages)
- SCO26H (21 pages)
- SCO6AD (47 pages)
- SCO5A (21 pages)
- SCO6WE (26 pages)
- SCO58 (40 pages)
- SCO5W (27 pages)
- SRI6PF (30 pages)
- SRI3P (27 pages)
- SHC10 (27 pages)
- SHO1 (18 pages)
- 74300-706 (20 pages)
- SMI31 (20 pages)
- SMI4E (14 pages)
- SMI2 (19 pages)
- SMI1EM (14 pages)
- SMI1E (17 pages)
- SMO5HP-2 (28 pages)
- SMO3 (17 pages)
- SMO1E (21 pages)
- SMO14HP-2 (19 pages)
- SGO1E (21 pages)
- SGO3 (17 pages)
- SMO10HP-2 (20 pages)
- SGO5 (16 pages)
- SMO14-2 (26 pages)
- SMO5CR-2 (31 pages)
- SRI21F (18 pages)
- SRI21D (22 pages)
- SRI20 (15 pages)
- SSI5R-HS (22 pages)
- SSI2 (20 pages)
- SSI5 (26 pages)
- SSI3 (15 pages)
- SSI10 (28 pages)
- SWBR17 (24 pages)
- SVAC1 (31 pages)
- SVAC1E (18 pages)
- SWBC22 (18 pages)
- SWB2 (29 pages)
- SWB30 (18 pages)
