Directory
Brands
Wine-Mate manuals
Equipment
SSL Series
Manual

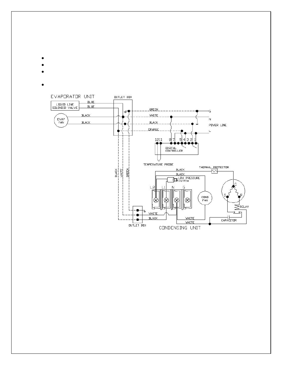
Electrical wiring diagrams – Wine-Mate SSL Series User Manual

Page 26

  • Text mode
  • Original mode
Electrical wiring diagrams | Wine-Mate SSL Series User Manual | Page 26 / 31 Electrical wiring diagrams | Wine-Mate SSL Series User Manual | Page 26 / 31
Pages: 1 … 24 25 26 27 28 … 31
  • wrong Brand
  • wrong Model
  • non readable
See also other documents in the category Wine-Mate Equipment:
  • HTD Series (25 pages)
  • CD Series (23 pages)
  • HZD Series (29 pages)
  • SSD Series (33 pages)
  • SSH Series (33 pages)
  • SSW Series User Manual (29 pages)
  • SSW Series Digital Control Manual (3 pages)
  • SSR Series (32 pages)
  • SSV Series (32 pages)
  • DS Series (31 pages)
  • SSLWC Series (30 pages)
  • SSDWC Series (31 pages)
  • SSHWC Series (30 pages)
  • SSRWC Series (30 pages)
  • SSVWC Series (30 pages)
Home Brands Popular manuals Recently added
Manuals Directory

© 2012–2025, azmanual.top
All rights reserved.