Schema di collegamento – Pioneer GM-4000F User Manual
Page 55

6
ENGLISH
ESPAÑOL
DEUTSCH
FRANÇAIS
ITALIANO
NEDERLANDS
ENG/MASTER 96
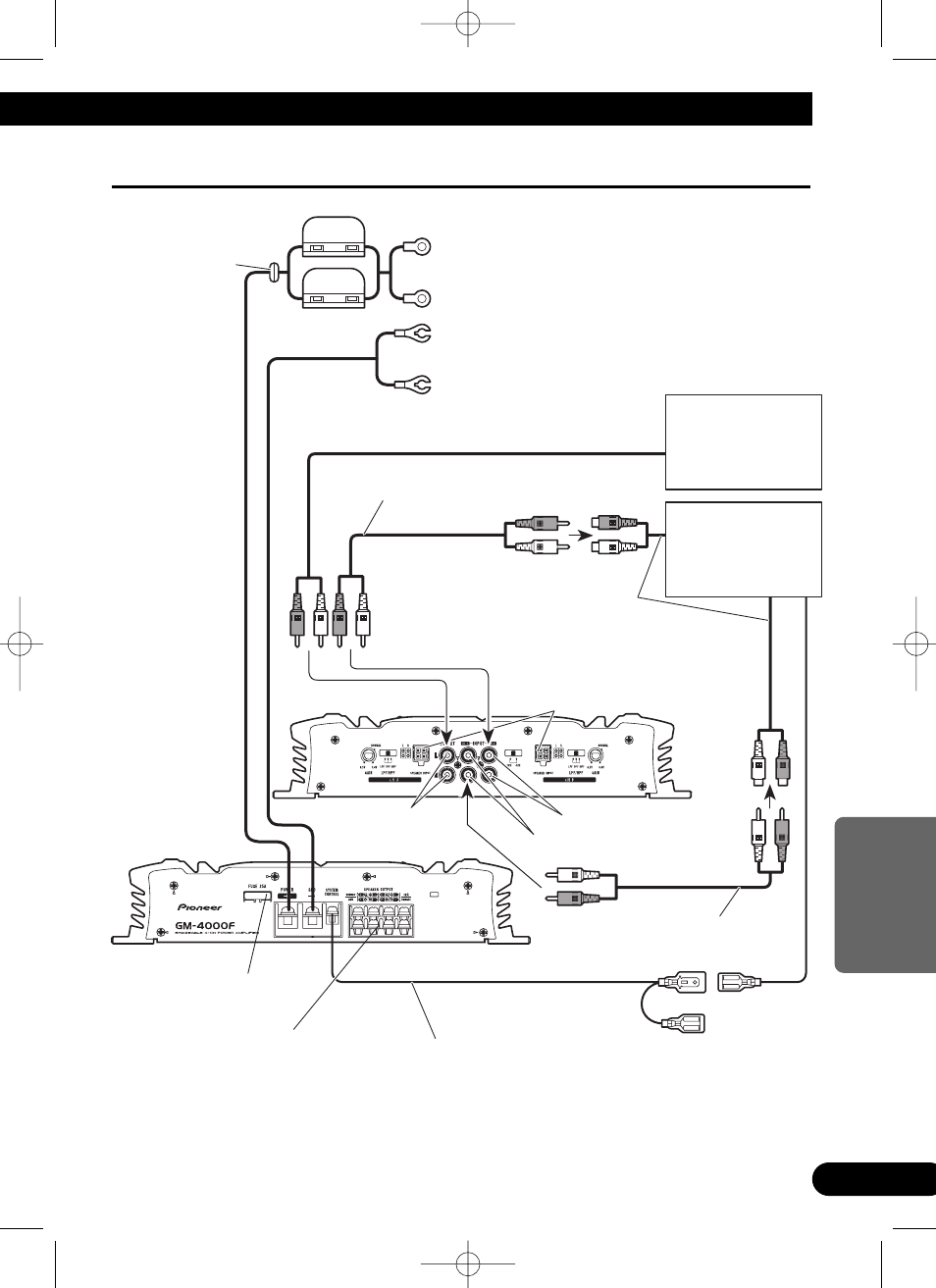
Schema di collegamento
Occhiello
Ingresso RCA
Cavo rosso speciale della batteria [RD-223]
(venduto separatamente)
Dopo aver eseguito tutti gli altri collegamenti all’amplifica-
tore, collegare il terminale del cavo dell’amplificatore desti-
nato alla batteria al terminale positivo (+) della batteria.
Cavo di massa (nero) [RD-223] (venduto separatamente)
Collegare alla parte metallica della carrozzeria oppure dello
chassis.
Amplificatore
con prese a spilli
di ingresso RCA
Impianto stereo della
macchina con prese a
spilli di uscita RCA
Prese di ingresso B tipo RCA
Prese di uscita RCA
Cavo del telecomando del sistema (venduto separatamente)
Collegare il terminale maschio di questo cavo al terminale dell’impianto
stereo per il telecomando del sistema (SYSTEM REMOTE
CONTROL). Il terminale femmina può essere collegato al terminale di
comando del relè dell’antenna automatica. Se l’impianto stereo della
macchina non presenta un terminale per il telecomando del sistema,
collegare il terminale maschio al terminale dell’alimentazione attraverso
l’interruttore di accensione.
Fusibile (30 A)
Fusibile (30 A)
Parte anteriore
Cavo di connessione con spine tipo
RCA (venduto separatamente).
Cavo di connessione con spine tipo
RCA (venduto separatamente).
Uscita esterna
Se si fa uso di una solo spina di ingresso,
non collegare nulla alla presa di ingresso
B di tipo RCA.
Terminale di uscita
dell’altoparlante
Vedere la sezione
“Collegamento dei cavi
d’altoparlanti” per le
istruzioni sulla connessione
degli altoparlanti.
Fusibile (25 A)
Prese di ingresso A tipo RCA
Parte posteriore
Il terminale di ingresso dell’al-
toparlante
Vede il paragrafo “L’uso di
ingresso dell’altoparlante”.
5_HRD0268A_Ita 1/21/04 19:51 Page 55