Directory
Brands
Graymills manuals
Water equipment
Handi-Kleen PH822-A OMI
Manual

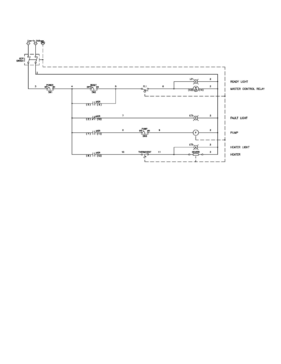
Electrical schematic, Warranty information – Graymills Handi-Kleen PH822-A OMI User Manual

Page 6

  • Text mode
  • Original mode
Electrical schematic, Warranty information | Graymills Handi-Kleen PH822-A OMI User Manual | Page 6 / 6 Electrical schematic, Warranty information | Graymills Handi-Kleen PH822-A OMI User Manual | Page 6 / 6
Pages: 1 2 3 4 5 6
  • wrong Brand
  • wrong Model
  • non readable
See also other documents in the category Graymills Water equipment:
  • 795-90716 LKN (15 pages)
  • Bio36r-A OMI (7 pages)
  • Biomatic Distributor (7 pages)
  • BTU Benchtop Ultrasonic (6 pages)
  • BTV Ultrasonic OMI (3 pages)
  • DH226A Drum Mount OMI (16 pages)
  • DH436R-A Drum Mount (7 pages)
  • DM 323 Drum Mount OMI (12 pages)
  • FLO-BAC Assymbly (2 pages)
  • Handi-Kleen PL36 OMI (20 pages)
  • Liftkleen L-Series OMI (35 pages)
  • Liftkleen T-Series OMI (32 pages)
  • Liftkleen T-Series 3 Cycle Timer (1 page)
  • Liftkleen TSeries Lk Rotobasket (2 pages)
  • Oil Absorbant Pad (2 pages)
  • Oil Seperator Osep-2 Series OMI (4 pages)
  • Solvent Saver (2 pages)
  • Sonicmax OMI (17 pages)
  • Super Sonic OMI (10 pages)
  • Tempest Tl2 OMI (8 pages)
Home Brands Popular manuals Recently added
Manuals Directory

© 2012–2025, azmanual.top
All rights reserved.