Search
Directory
Brands
Ashly manuals
Musical Instruments
DLM-821
Manual
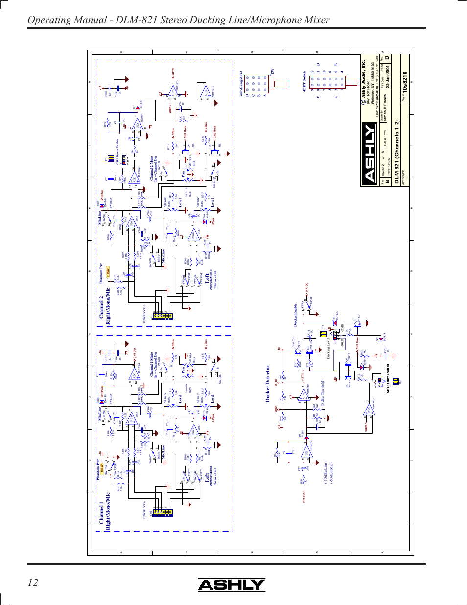
Right/mono/mic left channel 1, Right/mono/mic left channel 2, Ducker detector – Ashly DLM-821 User Manual
Page 12
Text mode
Original mode
Right/mono/mic left channel 1, Right/mono/mic left channel 2, Ducker detector | Ashly DLM-821 User Manual | Page 12 / 16
Pages:
1
…
10
11
12
13
14
…
16
wrong Brand
wrong Model
non readable
See also other documents in the category Ashly Musical Instruments:
LX-308B
(16 pages)
GQX-3101
(16 pages)
GQX-3102
(12 pages)
MX-206
(12 pages)
GQX-1502
(2 pages)