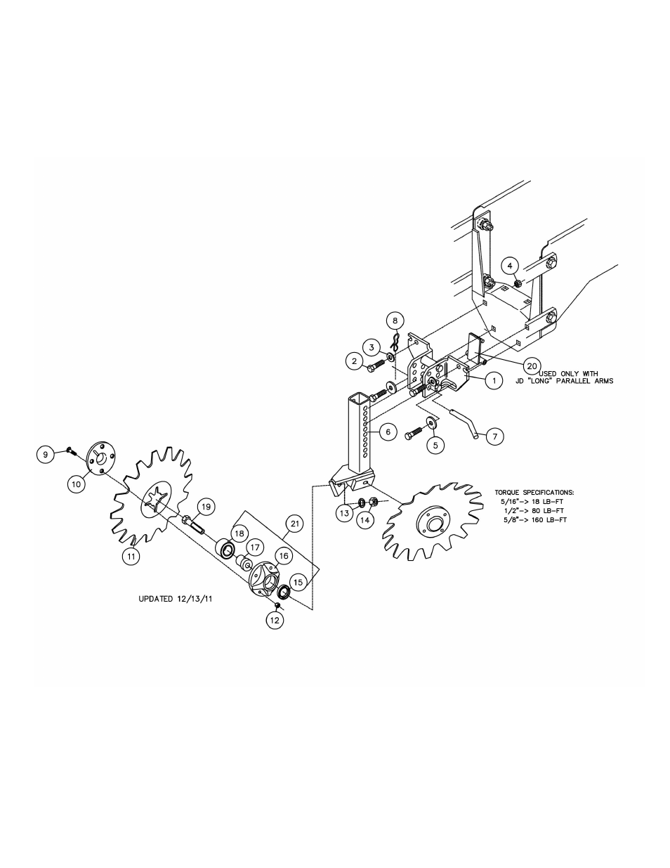
Yetter 2967 Notched Disc Residue Manager User Manual
Page 18
See also other documents in the category Yetter Special machinery:
- 1300 Seed Jet II (28 pages)
- Avenger 25 (40 pages)
- Avenger 30 Coulter (28 pages)
- 1200-001 Row Unit Adjusting Device (6 pages)
- 1300 Series Bulk Seed Handling Equipment (54 pages)
- 1310-010 Maximizer (44 pages)
- 2000 Series AllSteer Plus Fertilizer Toolbar (52 pages)
- 2000 All Steer High Capacity Cart (56 pages)
- 2000 Series Vertical Tillage Tool (V.T.T.) (56 pages)
- 2570-594 Wheel Assembly and Lubrication of Bearing Assembly (6 pages)
- 2900 Series Spring Cushioned Plow Coulter (2 pages)
- 2910-041 Frame Mount Coulter (16 pages)
- 2910-114 HD Liquid Fertilizer Kit, 2910 (2 pages)
- 2910-130-HD Heavy Duty Coulter (12 pages)
- 2910-135 Injector Kit (7 pages)
- 2910-137 High Clearance Injector Kit (8 pages)
- 2920 Disc Sealer (16 pages)
- 2920 Series Max Sealer Plus (16 pages)
- 2920-020 Sealer Wheels W/2920-212 Bracket (2 pages)
- 2930 Series Coulter (2 pages)
- 2940 Short Floating Air Adjust Residue Manager (86 pages)
- 2940-010 Combo (14 pages)
- 2940-055 Hydraulic Compressor (24 pages)
- 2950 Series Coulter (2 pages)
- 2959 Row Unit Mounted Fertilizer Coulter (12 pages)
- 2959-104 Spring Mount Inj. (3 pages)
- 2960-013 Space Saver Unit Coulter (16 pages)
- 2960-033 TITAN Series (28 pages)
- 2960-020 Unit Mounted Conservation Coulter for 800/900/950/955/1200 Cyclo Planters (12 pages)
- 2960-127 No-till Coulter (16 pages)
- 2960-130 Unit Mounted (12 pages)
- 2961-010-015 Cut and Move Coulter/Residue Manager Opener (28 pages)
- 2961-012 Cut and Feed Coulter/Fertilizer (28 pages)
- 2961-012 Guidelines (1 page)
- 2962 R.U.M.D.D.F.O. (28 pages)
- 2963 Challenger (28 pages)
- 2966-001 Residue Manager for 60/90 Air Drill Opener (16 pages)
- 2966-002 Residue Manager for 60/90 Air Seeder Opener (20 pages)
- 2966-020 JD Hydraulic Drive Twin Row (16 pages)
- 2966-199 Shield Kit For Floater Wheels (2 pages)
- 2967 Series Screw Adjust Residue Manager (36 pages)
- 2967-001 Residue Manager (24 pages)
- 2967-002 Single Wheel Residue Manager for Twin row (18 pages)
- 2967-003 Single Wheel Residue Manager For Monosem Planter (18 pages)

