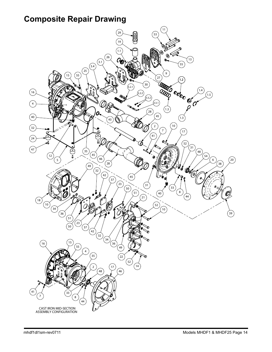
Composite repair drawing – SANDPIPER MHDF25 User Manual
Page 16
This manual is related to the following products:
See also other documents in the category SANDPIPER Pumps:
- SB1 (21 pages)
- HDB1 1/2 (19 pages)
- HDB2 (21 pages)
- HDB3 (21 pages)
- HDF1 (19 pages)
- HDF2 (20 pages)
- HDF3-A (19 pages)
- HDF3-M (20 pages)
- SA1 (19 pages)
- SA1 (18 pages)
- ST1 (20 pages)
- ST1 1/2 (21 pages)
- ET (14 pages)
- ET1 1/2 - SM (14 pages)
- ET1 1/2 - M (14 pages)
- ET2 - M (14 pages)
- ET3 - M (14 pages)
- E02 (11 pages)
- S05 Metallic (25 pages)
- S1F Metallic (25 pages)
- S15 Metallic (24 pages)
- S20 Metallic (24 pages)
- S30 Metallic (24 pages)
- PB 1/4 (16 pages)
- S05 (22 pages)
- S07 (35 pages)
- S10 (30 pages)
- S1F Non-Metallic (26 pages)
- S1F Non-Metallic (33 pages)
- S15 Non-Metallic (25 pages)
- S15 Non-Metallic (36 pages)
- S20 Non-Metallic (25 pages)
- S20 Non-Metallic (36 pages)
- S30 Non-Metallic (39 pages)
- S05 Non-Metallic (26 pages)
- S05 Non-Metallic (31 pages)
- SPA1 1/2-E (5 pages)
- SMA3-A (5 pages)
- EH2-M (11 pages)
- G05 (22 pages)
- G1F (21 pages)
- G15 (21 pages)
- G20 (21 pages)
- G30 (21 pages)
- GH2 (9 pages)
